海鲜产品冷库设计
摘要:随着我国经济的飞速发展和不断提高的人民生活水平,生活节奏不断加快,人民生活越来越远离厨房对冷藏食品的需求不断增多。而冷库主要用于生鲜,海鲜以及各类食品的储藏。由于其具有冷藏、保温的特殊功能,能满足生鲜,海鲜食品冷藏运输中的保鲜和冷冻功能,使其在冷链物流中起着重要的作用,成为冷链物流的中不可缺少的一个环节。因此了解冷库的建设及其发展就显得相当重要。
本次课题是以无锡某冷库为样本进行设计,无锡市作为国内较大的海鲜产地之一,为保证海鲜的质量以及新鲜需建设相应的冷藏设施。
关键词:冷库;冷负荷;制冷系统 ;
Cold storage design for seafood products
Abstract:With the rapid development of China's economy and the continuous improvement of people's living standards, the pace of life continues to accelerate, people's lives are more and more far away from the kitchen for the increasing demand for refrigerated food. The cold storage is mainly used for fresh, seafood and all kinds of food storage. Because of its special functions of refrigeration and heat preservation, it can satisfy the fresh and refrigerated functions in the refrigerated transportation of seafood. It plays an important role in the cold chain logistics and becomes an indispensable link in the cold chain logistics. Therefore, it is very important to understand the construction and development of cold storage.
This project is designed with a cold storage in Wuxi as a sample. As one of the largest seafood producing areas in China, the corresponding refrigeration facilities need to be built to ensure the quality and freshness of seafood.
第一部分 引言
(一)设计目的
本课题研究的是海鲜产品冷库的设计,完成冷库建设所需的设备及其辅助设备的设计选择。通过该课题的研究,了解冷库设计方面所涉及到的问题并解决完成冷库设计。随着社会经济的飞速发展和人民生活水平的不断提高,人们对食品的保鲜要求也会越来越高,对冷藏食品的需求不断增多。由于冷库在冷藏食品储藏中的特殊地位,因此今年来冷库的发展十分迅速。冷库主要用于生鲜农副产品和食品饮料的储藏。由于其具有冷藏、保温的特殊功能,能满足生鲜食品冷藏运输中的保鲜和冷冻要求,使其在冷链物流中起着重要的作用,成为冷链物流的中不可缺少的一个环节。因此了解冷库的建设及其发展就显得相当重要。
(二)设计项目
一个单层海鲜储存冷库,采用砖墙,钢筋混凝土梁,柱和板建成。冷藏间冷藏吨位500t,冷间温度-20℃~-30℃的冷库设计。
(三)室内设计参数
1、气象资料
夏季室外计算温度+35℃,相对湿度50%~76%。
2、生产能力
冷库容量500t,冻结能力20t/天
3、制冷系统
此冷库采用氨制冷系统,冷间温度-20℃
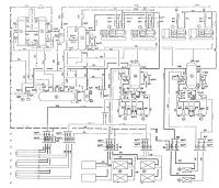
4、冷库的平面布置
冷库的平面布置图见附录
目 录
第一部分 引言………………………………………………………………………………1
(一)设计目的…………………………………………………………………………1
(二)设计项目…………………………………………………………………………1
(三)室内设计参数……………………………………………………………………2
第二部分 冷库耗冷量计算…………………………………………………………………2
(一)冷库围护结构耗冷量计算………………………………………………………2
(二)加工食品耗冷量计算……………………………………………………………6
(三)人工操作耗冷量…………………………………………………………………7
(四)总耗冷量…………………………………………………………………………7
第三部分 确定制冷方案……………………………………………………………………8
(一)选择制冷剂………………………………………………………………………8
(二)制冷方案的原则及内容…………………………………………………………8
第四部分 制冷设备选型计算………………………………………………………………9
(一)压缩机的选型计算………………………………………………………………9
(二)冷凝器的选型计算………………………………………………………………11
(三)冷却设备的选型计算……………………………………………………………11
(四)中间冷却器的选型计算…………………………………………………………12
(五)低压循环桶的选型计算…………………………………………………………12
(六)油分离器的选型计算……………………………………………………………13
(七)集油器的选型计算………………………………………………………………13
第五部分 制冷系统管道设计计算…………………………………………………………13
(一)制冷系统的管道设计……………………………………………………………14
(二)制冷系统的官道计算……………………………………………………………14
(三)管道的保护与保温………………………………………………………………14
第六部分 结束语……………………………………………………………………………15
第七部分 致谢………………………………………………………………………………15
参考文献……………………………………………………………………………………16
参考文献
[1]余华明.冷库及冷藏技术[M].北京:人民邮电出版社,2003.
[2]李建华,王春.冷库设计[M].北京:机械工业出版社,2003.
[3]周秋淑.冷库制冷工艺[M].北京:高等教育出版社,2002.
[4]谈向东.冷库建筑[M].北京:中国轻工业出版社,2006.
[5]岳孝方,陈汝东.制冷技术与应用[M].上海:同济大学出版社,1992.
[6]权敏.制冷系统保冷绝热材料的应用[J].能源研究与利用,2001(3)。
[7]华泽钊,李云飞,刘宝林.食品冷冻冷藏原理与设备[M].北京:机械工业出版社,2004.
[8]朱利洪,等.氨制冷系统压力管道检验及安全评价[J].制冷,2003(2).
[9]白世贞,周维.冷冻仓库设备安装与应用[M].北京:中国物资出版社,2003.
[10]庄友明.制冷装置设计[M].厦门:厦门大学出版社,2006.
附录
冷库平面布置图
 
						
 
				  
					        
							












 
					        
					 
					 
					