手柄座零件的工艺工装设计
摘 要 : 手柄座零件的工艺分析、夹具设计是这次毕业设计的重点,也是难点,手柄座零件的工艺分析运用到工程材料、粗精基准、刀具和机床型号等,手柄座零件的夹具的定位原理、通常使用定位,加紧。对刀等
。通过这次手柄座的毕业设计,我们不断的学习巩固并且丰富了所学,对以往的不足进行补充。
关键词:手柄座工艺设计、夹具设计。
Tool Design of Handle Base Parts
Abstract: The process analysis and fixture design of the handle seat parts are the key points of this graduation design. It is also a difficult point. The process analysis of the handle seat parts is applied to engineering materials, rough precision benchmarks, tools and machine tool models. The fixture design of the handle seat parts is applied to the six-point positioning principle, commonly used positioning elements, clamping devices, commonly used clamping mechanisms, knife and guiding devices and clips. Through the graduation design of the handle seat, not only did I review and consolidate what I had learned in recent years, but also through consulting relevant materials, enriched what I learned and supplemented the previous
Keywords:Handle holder, fixture design, clamping mechanism
目 录
绪论 3
1.1前言 3
1.2 题目背景及意义 3
1.3 国内外相关研究情况 4
二、 零件的分析 5
2.1 生产纲领 5
2.2 零件的额作用 5
2.3 零件的各种要求 5
2.4 零件工艺分析 6
三、工艺规程设计 8
3.1 毛坯制造 8
3.2 选择基面 8
3.2.1 粗基准的选择 8
3.2.2 选择精基准 8
3.3 制定工艺路线 8
3.3.1 分析工艺方案: 9
3.4 加工余量确定 9
3.4.1 其他尺寸 10
3.5 确立切削用量和基本工时 11
3.5.1 切削用量和基本工时的确定: 11
3.5.4 切削用量及基本工时的确定: 12
3.5.5切削用量及基本工时: 13
3.5.6 工序八切削用量及基本工时的确定: 14
3.5.7 工序九 切削用量及基本工时的确定: 15
3.5.8 工序十 切削用量及基本工时的确定: 16
3.5.9 工序十二 切削用量及基本工时的确定: 17
四、手柄座零件Φ孔的夹具设计 19
4.1 分析定位 19
4.2定位方案的讨论 19
4.3定位元件的设计 19
4.4定位误差的分析 20
4.5夹紧装置的分析 21
4.5.1夹紧方案的确定 21
4.5.2 夹紧元件螺母的选择 21
4.6导向原件的分析 22
4.7夹具体的设计 24
4.8总装图分析 25
致谢 27
参考文献 28
绪论
1.1前言
在大学的三年期间,了解了很多的知识在毕业之际制作这份机械设计,在机械的加工中存在着很多的夹具,之所以叫家具顾名思义就是把一定的工件固定加紧在某个特定的地方,来进行加工或者是检测的一种装置,在机械制造的过程中夹具的应用是普遍的,我这次的课题机床夹具也是其中之一。因为位置的关系,可以承受的切削力,夹具加好的时候基本不受人的影响。故会比较容易精准的保证工件在加工时减小风险。夹具的使用会改善一定的劳动条件,降低在成产中的一些潜在风险,保证了生产的安全性,因此夹具的设计在机械制造中显得尤为重要。
1.2 题目背景及意义
工作加工中。先确定加工的位置,并且将工件固定的设置叫做机床夹具。
1.3 国内外相关研究情况
国内的发展情况:在中国的近些年的发展中,机械类的发展尤为突出,也逐渐加入了主流市场,成为了热门行业。但是这种才走红的产业也存在这很多的弊端,例如技术人员的匮乏,产品生产周期过于的长,产品的使用寿命短,市场需求量大等一些状况。
二、 零件的分析
2.1 生产纲领
在毕业设计任务书中,任务为手柄座的工艺工装设计。设想手柄座半年生产20000件,假设手柄座损坏率率为 12.5%,机械加工的废品率为 2.1%,对零件进行设计
经过算式计算该零件的年产量为 25230 件,根据成产的关系,确定为这个时大量生产
2.2 零件的额作用
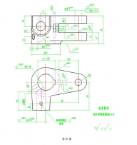
这次题目的手柄座零件,是为了控制操纵制动器与离合器,可以同时控制开启,暂停,转动。过程是这样的:把手柄座向上转的时候,车床里面的杆向外面平移,再顺时针转,顺带齿轮向右转动,跟上述的一样连接左边,使它正转。
参考文献
[1] 肖继德,陈宁平主编.《机床夹具设计》第 2 版.北京:机械工业出版社,2007.
[2] 孙丽媛主编.《机械制造工艺及专用夹具设计指导》.北京:冶金工业出版社,1998.
[3] 周昌治,杨忠鉴等.《机械制造工艺学》.北京:重庆大学出版社,2008.
[4] 白婕静,万宏强.《机械制造工程学课程设计》.北京:兵器工业出版社,2008.
[5] 李益民.《机械制造工艺设计简明手册》.北京:机械工业出版社,1994.
[6] 机械加工技术手册编写组.《机械加工技术手册》.北京:北京出版社,1989.
[7] 李洪.《机械加工工艺手册》.北京:北京出版社,1990.
[8] 唐克中,朱同钧主编.《画法几何及工程制图第四版》.北京:高等教育出版社.
[9] 廖念钊.《互换性与技术测量》.北京:中国计量出版社,2009.
[10] 王小华,袁相谨.《机床夹具图册》.北京:机械工业出版社,1992.
[11] 朱耀祥,蒲林祥.《现代夹具设计手册》.北京:机械工业出版社,2010.
[12] 大连理工大学工程画教研室编.《机械制图》.北京:高等教育出版社,2000.
[13] 孙波,万宏强.《机械制造工艺与过程综合设计实践》设计指导.西安工业大学,2010.
[14] 唐增宝,何永然,刘安俊,《机械设计课程设计》(第二版).华中科技大学出版社,1995.
[15] 濮良贵,纪名刚.《机械设计》(第六版).高等教育出版社,1996.
[16] 李贵轩.《设计方法学世界图书出版社》,1989.




















