基于PLC控制的变频恒压供水控制系统的设计     摘要:变频调速恒压供水系统具有节能、安全、高品质的供水质量等优点。采用PLC作为控制器,硬件结构简单,成本低,系统实现水泵电机无级调速,依据用水量的变化自动调节系统的运行参数,在用水量发生变化时保持水压恒定以满足用水要求。
关键词:PLC;变频调速;恒压供水系统
       目录
1 引言 12
2 方案设计 15
2.1 PLC控制的变频恒压供水控制系统 15
2.2单片机控制的变频恒压供水控制系统 17
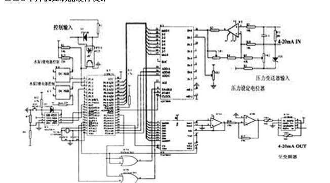
2.2.1工作原理 17
2.2.2单片机控制器硬件设计 18
2.2.3软件设计 19
2.3方案比较 20
3 系统硬件设计 23
3.1控制系统框图 23
3.2各条件下供水具体控制方式 24
3.3管网水压控制点的选择 24
3.4抗干扰问题 24
3.5故障时的问题 24
4 系统软件设计 26
4.1系统自动控制流程设计 26
4.2系统PLC控制程序 27
5 系统操作说明 34
5.1自动工作方式 34
5.2状态监测 34
5.3 系统帮助 36
5.4 参数设定 36
5.5 故障检测 37
5.6 手动变频 37
5.7 手动工作方式 38
5.8 控制功能输入和输出 38
参考文献
[1] 陈伯时.电力拖动自动控制系统[M].第2版.北京:机械工业出版社,1992.5. 
[2] 李友善.自动控制原理上册.修订版[M].北京:国防工业出版社.1994.7. 
[3] BB Industry Oy.SAMI STAR Frequency Converter User s Manual[M].in Sweden.1995.6.
[4] 贺玲芳.基于PLC控制的全自动变频恒压供水系统[J].西安科技学院学报.2000.9. [5] ALLEN-BRADLEY.Analog Input Module User s Manual[M].in USA.1989.2. 
[6] ALLEN-BRADLEY.Analog Output Module User s Manual[M].in USA.1987.10.  
[7] ALLEN-BRADLEY.PLC-编程软件指令集[M].in USA.1991.11.
[8] 张春霞.变频调速及PLC技术在恒压供水系统中的应用[J].矿业快报.2004. 
[9] 陈少雄.赵霞.变频器—PLC在供水控制系统的应用[J].微计算机信息.2004.
[10] 变频技术在智能化系统中的应用Ⅰ[J].IB智能建筑与城市信息.2006. 
[11] 崔本亮.变频技术的发展与应用[J].信阳农业高等专科学校学报.2003.
[12] 詹建北.变频技术的发展及现状[J].广东科技.2003.
[13] 王树主.交频调速系统设计与应用[M].机械工业出版社.2006.
[14] 金传伟.毛宗源.变频调速技术在水泵控制系统中的应用[M].电子技术应用2000.
[15] 黄俊.王兆安.电力电子变流技术[M].机械工业出版社.1993.3.
[16] 杜金城.电气变频调速设计技术[M].中国电力出版社.1999.
[17] 姜兴忠.戴恒阳变频恒压控水系统的机理分析[M].电气传动自动化.2004.4
   
 
						
 
				  
					        
							



















 
					        
					 
					 
					