基于S7-200PWM驱动56BYG250B步进电机速度控制的PLC程序设计
                          摘要  
   PLC 是广泛应用于工业自动化领域的控制器, PLC 及其有关的设备, 都按易于与工业控制系统连成一个整体、易于扩充功能的原则而设计。现在, PLC 功能得到了很大的扩充和完善, 比如为了配合步进电机的控制, 许多PLC 都内置了脉冲输出功能, 并设置了相应的控制指令, 可以很好地对步进电机进行控制, 实现和其它设备的通信等。
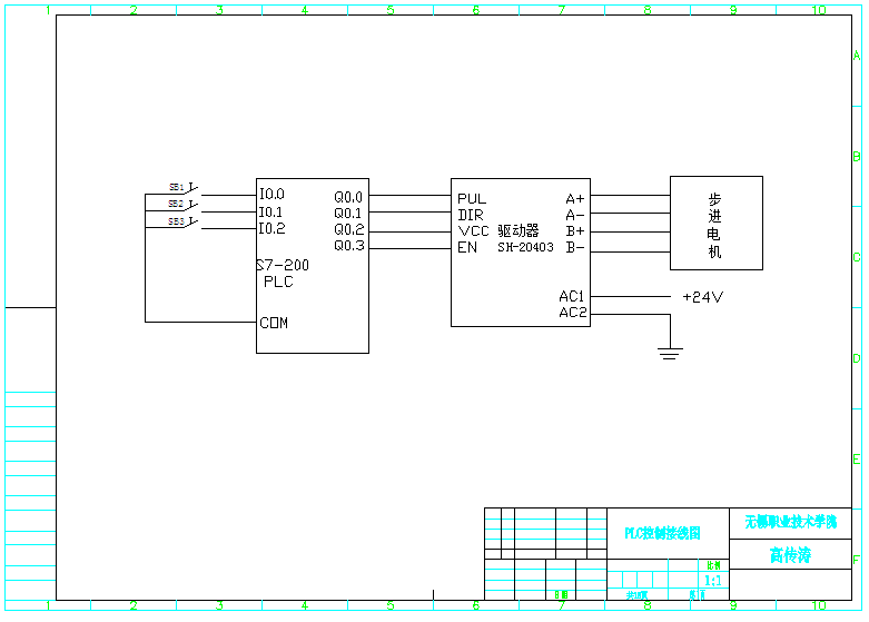
S7-200系列PLC是一种可编程控制器,用于工业环境下的控制。本文采用S7-200系列PLC产生高速脉冲,通过步进电机驱动器实现对步进电机的控制,能够实现对步进电机的转速进行控制。该方法操作简单,参数修改方便,并有很好的可靠性和推广价值。
   关键词:S7-200PLC、两相混合式步进电机、PLC编程。
第1章 绪论
1.1 概述
可编程序控制器(Programmable Logic Controller,PLC)目前已经广泛应用于各种机械设备和生产过程的自动控制系统中。PLC以微处理器为基础,综合了计算机技术、自动控制技术和通信技术,编程方法简单易学,功能强大,性价比比较高。同时,PLC是为适应工业环境下的应用而设计的控制装置,采取了一系列硬件和软件抗干扰措施,可靠性高,抗干扰能力强大。PLC采用了可编程程序的存储器,用来在其内部存储执行逻辑运算、顺序控制、定时、计数和算术运算等操作指令,并通过数字式、模拟式的输入和输出控制各种类型的机械或生产过程。PLC主要由CPU模块、输入模块、输出模块和编程器组成。S7-200是西门子公司生产的小型PLC,可以单机运行,用于替代继电器控制系统,也可以进行联网,用于复杂的自动化控制系统。同时S7-200具有极高的性价比,应用非常的广泛。
步进电机将脉冲信号转换为相应的位移,如果给一个脉冲信号,步进电机就转动一个角度,或前进一步。步进电机的输出位移量与输入脉冲个数成正比,其转向与脉冲分配到步进电机的各相绕组的相序有关。对步进电机的控制主要包括三个方面:即步进电机的转速控制、方向控制个步数控制。通过控制输出脉冲的数量、频率及电机绕组通电的相序,就可以实现对步进电机的控制。步进电机在非超载的情况下,有很好的控制精度,具有较广泛的应用。本文利用S7-200 PLC通过步进电机驱动器对步进电机进行控制,实现了步进电机的速度控制。
1.2课题主要设计内容
本项目是一个基于仿照西门子S7-200 PLC 控制步进电机为设计。所以需掌握步进电机的原理及其驱动方法,掌握西门子 S7-200 PLC 的原理与程序设计方法,掌握步进电机的电气控制实验系统的工作原理,基于该系统设计 S7-200 PLC程序,实现主站PLC对步进电机的控制。
第2章 步进电机的选用
2.1 步进电机的简介
步进电机是一种感应电机,它的工作原理是利用电子电路,将直流电变成分时供电的,多相时序控制电流,用这种电流为步进电机供电,步进电机才能正常工作,驱动器就是为步进电机分时供电的,多相时序控制器。虽然步进电机已被广泛地应用,但步进电机并不能像普通的直流电机,交流电机在常规下使用。它必须由双环形脉冲信号、功率驱动电路等组成控制系统方可使用。因此用好步进电机却非易事,它涉及到机械、电机、电子及计算机等许多专业知识。
步进电机作为执行元件,是机电一体化的关键产品之一, 广泛应用在各种自动化控制系统中。随着微电子和计算机技术的发展,步进电机的需求量与日俱增,在各个国民经济领域都有应用。步进电机是一种将电脉冲转化为角位移的执行机构。通俗一点讲:当步进驱动器接收到一个脉冲信号,它就驱动步进电机按设定的方向转动一个固定的角度(即步进角)。可以通过控制脉冲个数来控制角位移量,从而达到准确定位的目的;同时可以通过控制脉冲频率来控制电机转动的速度和加速度,从而达到调速的目的。
本文介绍利用德国西门子公司的S7-200作为核心控制器件,产生的脉冲和实时的定位系统,实现步进电机控制。该控制器可以改善步进电机在低速运行时的振动、噪声大,在步进电机自然振荡频率附近运行时易产生共振,且输出转矩随着步进电机的转速升高而下降等缺点,显著提高了步进电机的性能,拓宽了步进电机的应用领域。
目录
摘要 I
第1章 绪论 1
1.1 概述 1
1.2课题主要设计内容 1
第2章 步进电机的选用 2
2.1 步进电机的简介 2
2.2 步进电机的特点及工作原理 2
2.3步进电机的分类 3
2.4步进电机的应用 3
第3章 西门子S7-200 PLC 5
3.1 西门子S7-200 系列PLC简介 5
3.2 S7-200 系列PLC 系列组成概述 5
3.3脉冲输出指令 7
3.4 STEP 7-MICRO/WIN 编程软件 8
3.5 PLC的特点及在步进电机中应用 9
第4章 基于S7-200 PLC 控制步进电机的设计 12
4.1步进电机的选择 12
4.2步进电机驱动电路设计 13
4.2.1步进电机驱动器的选择 14
4.2.2 步进电机驱动技术 15
4.2.3 PLC对步进电机的速度控制及定位 17
4.3 PLC控制步进电机 19
4.3.1控制系统框图 19
4.3.2系统硬件设计 20
4.3.3 系统软件设计 22
4.3.4 PLC对电机的各种控制 29
4.3.5 联锁 34
第5章 全文总结 35
参考文献 36
致谢 37
参考文献
[1] 廖常初. PLC编程及应用 [M]. 北京:机械工业出版社,2009.
[2] 蔡行健. 深入浅出西门子S7-200PLC [M]. 北京:北京航空航天大学出版社,2010.
[3] 殷洪义. 可编程序控制器选择、设计与维护 [M]. 北京:机械工业出版社,2005.
[4] 戴仙金. 西门子S7-200系列PLC应用与开发 [M]. 北京:中国水利水电出版社,2007.
[5] 温照方. SIMATIC S7-200 可编程控制器教程 [M]. 北京:北京理工大学出版社,2008.
[6] 翟红程. 西门子S7-200PLC应用教程 [M]. 北京:机械工业出版社,2007.
[7] 朱文杰. S7-200 PLC编程设计与案例分析 [M]. 北京:机械工业出版社,2010.
[8] 李辉. S7-200PLC编程原理与工程实训 [M]. 北京: 北京航空航天大学出版社,2008.
[9] 郑凤翼. 图解西门子S7-200系列PLC入门 [M]. 北京:电子工业出版社,2009.
代做电子专业毕业设计请登录:http://www.bysj1.com/html/4334.html

 
 
						
 
				  
					        
							



















 
					        
					 
					 
					