基于S7-200型PLC控制的污水处理系统的设计
摘 要
摘要:本文介绍了工厂污水处理的基本工艺和流程,并通过研究设计一套基于S7-200型PLC控制的污水处理系统。先根据污水处理要求设计了设备的电器控制与自动控制线路,主要包括设备的启停、状态信号、故障信号和信号采集等,最后按照工艺要求设计PLC控制系统,其中包括PLC的选型、系统资源配置以及按照污水处理工艺编制PLC程序。 建立高度自动化污水处理站,不仅可以加强整个系统的可靠性、准确性,还可以减少劳动强度,降低处理成本和节约能源,具有很好的经济效益和社会效益。
关键词:污水自动处理;滗水器;曝气;分层;回流泵;
Sewage treatment system based on PLC
Abstract:This paper introduces the basic process and process of factory sewage treatment, and designs a set of sewage treatment system based on S7-200 PLC control. According to the requirements of the design of sewage treatment equipment electrical control and automatic control circuit, including equipment start and stop status signal fault signal and signal acquisition, finally according to the technical requirements of the PLC control system design, including the selection of PLC system resources allocation and the sewage treatment process in accordance with the procedures for the preparation of PLC.The establishment of highly automated sewage treatment station can not only enhance the reliability and accuracy of the whole system, but also reduce labor intensity, reduce processing costs and save energy, which has good economic and social benefits.
Keywords:Automatic sewage treatment; water decanter; aeration; stratification; reflux pump;
污水处理系统的实现不单单依靠设计者的卓越智慧,更与电子器件的研发生产技术的持续完善有密切关系,在大规模集成电路技术出现此前,如果要完成一个简要的指标往往需要多个繁复的电路进行相互之间连接才可以完成,而自从有了集成芯片,单片芯片就可以完成多种繁杂的功效,所以在这之前只能停留在想象阶段的设计方案都获得了完美的完成。本论文所说的智能污水处理系统系统事实上指的是在系统里面内部设计了一定程度的智能处理目标代码的控制系统,与传统的系统作比较它早已不再是一种普通的控制系统了,因为内部通过微处理器芯片并且结合具有高效智能的代码程序当作组合,因此其智能程度非常高,在硬件上通过对智能传感器和其他驱动器的构建,它将能够实现许多传统污水处理系统所不具备的智能功能。智能污水处理系统可以实现对外部数据的高速采集与此同时交由内部高性价比内核进行快速运算并且得到结果,通过软硬件电路的灵活配合实现高速的识别、运算、校验以及判断等目标,这种效果的完成颠覆了人们内心中还保存着的对传统污水处理系统系统的深刻记忆,同时这种智能功能的完成亦表示着电子技术已进入了一个崭新的时代,在此基础上本次论文把提出对一种智能污水处理系统系统的配置,通过对这款系统的设计理念、发展现状以及软硬件系统的配置,来验证设计方案的可行性。因为可编程控制器芯片的发明所需要半导体技术、集成电路技术、总线技术和控制器技术等多门技术学科当作前提,从而可编程控制器控制器的实现是多门学科的一个综合产物,通过可编程控制器结合编程代码而实现污水处理系统系统就这样具备了非常高程度的智能特性,它在很大程度上把设计者的设计思想进行全面表现。二十世纪中期是电子技术的一个重大转变时期,当时半导体技术初露头角,初期的半导体生产技术早已使得半导体材料表现出了优秀的属性特征,这一现象被很多科学家意识到在未来不久电子系统把进入半导体时代,果不其然在不到十年间的时间里,愈发多的半导体器件被构建出来并且立即投入到了使用,二极管、三极管是最为常见的半导体材料,有了这些半导体材料角色的加入,电路中的电压电流放大早已可以表现的随心所欲,许许多多的智能技术全是以这种性能当作铺垫的。伴随着经济水平和科学技术的不断发展人们对于高性价比的污水处理系统的追求脚步始终没有停止,在半导体技术和控制器生产技术还没有出现并且完善此前,智能污水处理系统系统是不可能完成的,人们许许多多的想法都只能停留在想象阶段,等到可编程控制器技术成熟之后,智能污水处理系统系统才开始不断涌入人们的生产生活中。本论文将以此为背景设计一款以凌渡单片机作为控制器的智能污水处理系统,在指标和综合性能上对如今市面上的产品现状进行改进和增加。
PLC控制器之所以可以在工控环境这么普遍,是与该器件的效果离不开的,这里需要对它的众多优良特性进行详细介绍。
易编程性,容易掌握:这项特点说的是编程者可以通过梯形图编程语言以及指令表语言来对PLC控制器代码程序进行轻松简单的编程,这两种语言对编程者的技术要求特别低,几乎没有任何要求,与此同时梯形图语言是一种接近图形的语言,非常轻易理解和使用。
稳定性强:论文的前一部分已经说到PLC控制器之所以具有强大的平稳性的理由,这里需要表述的是它的另一个方面,通常全部的PLC控制器在推向市场前都会在其存储器中开辟出一个区域,这个区域用来在PLC程序运行过程中储存故障信息,它主要用于当PLC控制器出现故障而不得不停止工作时,此时PLC控制器内部控制器则会将发生该故障的原因和发生的时间、持续时间等信息进行储存,当系统维护人员对设备进行维护时则能够通过这条故障信息能够轻松的对故障点进行定位。
功能强,适应面广:PLC的设计技术可以追溯到上世纪六七十年代,在漫长的发展过程中,PLC的效果不断在丰富,平稳性亦在持续被增加,但是其价格却在持续下降,因此愈发多的工厂场合在使用PLC来作为控制器。
含有通用性:较强的通用性主要表现在同一款PLC可以在多种控制系统中应用,这项效果必需具备丰富的内部硬件配置才能够完成,现如今PLC设计技术早已能够做到将CPU、存储器、输入输出管脚、模数转换、数模转换、定时器以及通信模块全部集成在PLC内部,而多数控制场合只需要这些电路模块就可以实现控制功能,所以PLC的较强的通用性特别强。
目录
第一章 绪论
1.1 污水处理系统课题的发展背景及意义
1.2 污水处理系统课题的研究的内容
第二章 污水处理系统的总体设计
2.1 PLC的总体组成
第三章 污水处理系统的硬件设计
3.1 PLC的选择
3.2 I/O分配表
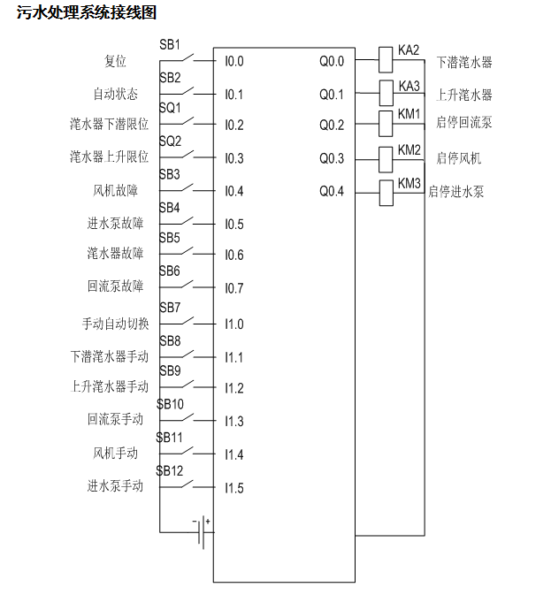
3.3 污水处理系统接线图
第四章 污水处理系统的软件设计
4.1 污水自动处理模式
4.1.1 输入子程序设计
4.1.2 秒脉冲子程序设计
4.1.3 定时子程序设计
4.1.4 回流泵、风机、进水泵工作子程序设计
4.1.5 风机工作子程序设计
4.1.6 静置子程序设计
4.1.7 滗水器下潜子程序设计
4.1.8 定时子程序设计
4.1.9 滗水器下潜开启子程序设计
4.1.10 滗水器下潜停止子程序设计
4.1.11 滗水器上升开启子程序设计
4.1.12 滗水器上升停止子程序设计
4.1.13 循环准备子程序设计
4.1.14 各设备停止子程序设计
4.1.15 总报警子程序设计
4.1.16 风机报警子程序设计
4.1.17 进水泵报警子程序设计
4.1.18 滗水器报警子程序设计
4.1.19 回流泵报警子程序设计
4.2 污水手动处理模式
4.2.1 下潜滗水器手动子程序设计
4.2.2 上升滗水器手动子程序设计
4.2.3 回流泵手动子程序设计
4.2.4 风机手动子程序设计
4.2.5 进水泵手动子程序设计
4.3 污水处理系统自动工作模式流程设计
第五章 PLC调试设计过程
总结与展望
参考文献
致 谢
附录 梯形图
参考文献
[1]郭丙君.深入浅出PLC技术及应用设计[J].北京:中国电力出版社,2014.11
[2]方承远.工厂电气控制技术[M].机械工业出版社.2014.11
[3]熊幸明.陈艳.张丹等.电气控制与PLC[M].北京:机械工业出版社,2013.10
[4]何衍庆.可编程控制器原理及应用技巧.第二版[M].化学工业出版社.2014.1
[5]夏银桥.传感器技术及应用.[M].武汉:华中科技大学出版社.2013.10
[6]何学明.提高网络结构PLC控制系统可靠性的研究[J].自动化仪表,2014.11
[7]邓重一接近开关原理及其应用[M]机械工业出版社,2014,05
[8]周美兰.PLC电气控制与组态设计[M].科学出版社.2014.11
[9]现代电气控制及PLC应用技术[M].北京航空航天大学出版社.2014.11
[10]漆汉宏.PLG电气控制技术[M].机械工业出版社.2014.1:193-197
[11]污水处理厂污泥处理环境影响评价分析[J].吴永文.资源节约与环保.2015(04)
[12]住房和城乡建设部通报城镇污水处理设施一季度建设和运行情况[J].城市道桥与防洪.2012(08)
[13]某加工园区污水处理厂污水处理工艺可行性研究[J].徐红梅.科技资讯.2013(18)
[15]基于PLC的大型污水处理控制系统设计[D].唐俊涛.西华大学.2015
[16]基于组态软件和PLC在污水处理厂自动控制系统的应用[D].邹娜.华南理工大学2015
[17]基于PLC与组态王的污水处理控制系统设计[D].张博.河北大学.2012
[18]基于PLC与触摸屏的污水处理监控系统的开发[D].浦海洋.苏州大学.2014
[19]基于PLC的污水脱盐处理自动控制系统的设计与实现[D].李凤新.电子科技大学.2013
[20]基于PLC的污水处理自控系统研究[D].应劭霖.江西农业大学.2012





















