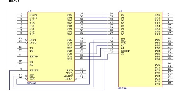
太阳能热水器监控仪的设计                 摘要:本文设计了一个太阳能热水器监控仪表系统。它以89C52单片机为核心,配合电阻型4档水位传感器、负温度系数NTC热敏电阻温度传感器、显示器件 、驱动电路(电磁阀加热、报警、上水)等外围器件, 完成对太阳能热水器容器内的水位、水温测量、显示;缺水时自动上水,水溢报警;手动上水、参数设置;定时水温过低智能电加热等功能。
   关键词:89C52,传感器,热水器,控制器,RC充放电
1.引言
1)课题的背景意义
  随着太阳能热水器的迅速推广,广大消费者对太阳能热水器特别是太阳能热水器控制器的要求越来越高,太阳能热水器商家为使自己的产品能在市场上生存和发展,在不断提高太阳能热水器热水性能的同时,也不断加大力度满足消费者对于太阳能使用方便的要求,于是太阳能热水器的智能化程度越来越高。
   本设计追踪科技应用前沿,跟踪市场,根据论文资料及市场现有产品模型,在加上自己的理解和创意,模仿出了一套智能化的太阳能热水器控制系统。本系统完全跟随太阳能热水器本身智能化程度和成本的要求,为太阳能热水器提供了一套智能化程度高、性能良好、使用方便、经济实惠的配套控制系统。毕业设计说明书目录
1 引言……………………………………………………………………………………17
2 方案论证………………………………………………………………………………18
    2.1方案一:智能太阳能热水器整体结构………………………………………18
    2.2方案二:普通太阳能热水器监控仪结构和原理……………………………19
3  水位、水温的测量和指示电路的硬件设计…………………………………………19
    3.1测量电路的硬件设计…………………………………………………………19
   3.1.1水位测量电路的设计及温度计算方法…………………………………19
   3.1.2水温测量电路的设计及温度计算方法…………………………………22
    3.2 指示电路的硬件设计………………………………………………………25
    3.2.1水位指示电路………………………………………………………………25
   3.2.2水温指示电路………………………………………………………………26
   3.3其他硬件电路设计……………………………………………………………28
    3.4电源电路………………………………………………………………………30
    3.5显示电路………………………………………………………………………31
   3.6电路关键元器件的原理与选用………………………………………………34
4. 软件设计……………………………………………………………………………36
   4.1编程实现水位处理…………………………………………………………36
   4.2编程实现水温处理…………………………………………………………37
    4.3编程实现显示处理…………………………………………………………37
5.硬件系统的调试……………………………………………………………………38
    5.1测试P1.3口和电容两端的波形……………………………………………38
   5.2测试电容电压变化引起的中断信号…………………………………………39
   5.3显示计数器寄存器中的值和实测水位………………………………………40    参考文献
1. 沈任元. 吴勇 模拟电子技术基础.
2. 沈任元. 吴勇 数字电子技术基础.
3. 杜伟略. 单片机及接口技术.
4. 胡润青. 蓬勃发展的太阳能热水器产业. 可再生能源.
5. 袁小平. 陈跃. 一种智能型太阳能热水器控制器的研制.江苏煤炭.
6.范延滨,王正彦. 太阳能热水器控制器中测量模型.电子测量技术,2004
7. 唐德礼,鲍连升. 太阳能热水器水温水位控制器. 十堰职业技术学院学报
8. 姜志海,黄玉青等. 单片机原理及应用. 电子工业出版社,2005
9. 刘润华,刘立山. 模拟电子技术. 石油大学出版社,2003.
10. 孙东胜. 新型电热水器控制器的研制.上海交通大学,2004
11. 欧阳乔. 时钟芯片DS1302的原理及其Proteus仿真设计.计算机与信息技术
12. 周荷琴,吴秀清.微型计算机原理.中国科学技术大学出版社2004
13. 王兆安,黄俊. 电力电子技术. 机械工业出版社,2005
14. 梁森,王侃夫,黄杭美  自动检测与转换技术  
 
 
						
 
				  
					        
							



















 
					        
					 
					 
					