基于三菱PLC的车辆入库管理系统设计
摘 要:现在随着社会经济越来越快的发展,车子与我们的生活息息相关,很多事业单位有着大量的汽车,因此,需要我们及时的管理车辆。怎样使车辆管理人员能够及时地明白车辆的状况,通过合理地有效管理,达到完美的控制车辆。如何能够随心所欲的管理车辆,这是我们急需处理的难题。
为了解决这种情况,本次课题为了满足车辆管理要求,借助PLC技术与信息传感技术,推出了车辆管理系统。本次车辆入库管理系统的特点是能够精确的管理车辆的进出,当车辆进出时,能够告知司机精确地剩余车位数量,提高了停车场使用率、降低了路面停留车辆数,将限资源合理的运用。
本次课题设计硬件采用传感器、七段数码管和可控道闸,传感器提供传感的信号,七段数码管显示车库内车子的数量以及剩余的停车位这些重要的数据,可控道闸控制着车辆的进出。软件设计通过主程序流程图和梯形图完整准确的把设计方法和思路体现出来。熟悉软硬件结构,合理的使用车辆管理系统,即可实现车辆完美的管理控制。
关键词:车辆入库管理;PLC;信息传感技术;智能控制
Design of vehicle warehousing management system based on MITSUBISHI PLC
Abstract: With the rapid development of the social economy, the car is closely related to our life. Many institutions have a large number of cars. Therefore, we need to manage the vehicles in time. How to make vehicle managers understand the condition of vehicles in time and achieve the perfect control of vehicles through reasonable and effective management. How to manage vehicles at will is a problem we need to deal with urgently.
In order to solve this problem, in order to meet the requirements of vehicle management, the vehicle management system is developed by means of PLC technology and information sensing technology. The characteristics of the vehicle storage management system is that it can accurately manage the entry and exit of the vehicle. When the vehicle is in and out, it can tell the driver the exact number of remaining parking space, improve the use rate of the parking lot, reduce the number of parking vehicles on the road, and limit the rational use of the resources.
The design hardware uses sensors, seven segments of digital tubes and controllable channel gates, sensors provide sensing signals, seven segments of digital tubes display the number of cars in the garage and the remaining parking space, which control the entry and exit of the vehicle. The software design reflects the design methods and ideas completely and accurately through the main program flow chart and ladder diagram. Familiarity with software and hardware structure and reasonable use of vehicle management system can achieve perfect vehicle management and control.
Key words: Vehicle warehousing management; PLC; information sensing technology; intelligent control
目 录
第一章 绪论 4
1.1 课题设计背景 4
1.2 课题设计意义 4
1.3 系统要求 5
第二章 总方案设计 6
2.1功能分析 6
2.2系统框图 6
第三章 硬件设计 7
3.1 PLC简介 7
3.1.1 PLC特征特点 7
3.1.2 PLC基本结构 8
3.1.3 PLC工作原理 8
3.1.4 PLC应用选择 9
3.2 传感部分设计 9
3.2.1 光电传感器简介 9
3.2.2 传感器选择 10
3.2.3 传感器布置 10
3.3 显示部分设计 11
3.3.1 数码管简介 11
3.3.2 数码管结构 11
3.3.3 数码管选择 13
3.4 按钮开关 14
3.5 道闸 15
3.6 硬件元件清单 16
3.7 I/O分配表 16
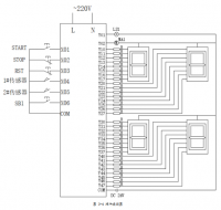
3.8 硬件接线图 17
第四章 软件设计 18
4.1 GX Works2 软件介绍 18
4.2 主程序流程图 19
4.3子程序设计 20
4.3.1 启动停止子程序 20
4.3.2 复位子程序 20
4.3.3 车辆入库出库数量加减子程序 20
4.3.4 报警子程序 21
4.3.5 道闸启停子程序 21
4.3.6 数码管显示子程序 22
第五章 调试 23
5.1 使用GX Works2 软件调试 23
5.2 启动停止调试 23
5.3 车辆入库调试 24
5.4 车辆出库调试 25
5.5 车满报警调试 26
5.6 系统清零调试 26
5.7 道闸启停调试 27
第六章 总结 29
参考文献 30
参考文献
[1]崔金玉,唐红霞,郝利丽著.电路中的理论计算及应用设计:黑龙江大学出版社,2014.06




















