电池钢壳导电膜喷涂机控制器设计
摘要:PLC又称可编程控制器,国际电工委员会于1985年对其做了如下定义:”可编程控制器是一种数字运算操作的电子系统,专为在工业环境下应用而设计。它采用可编程的储存器用来在其内部储存执行逻辑运算.顺序控制.定时.计算和算数运算等操作的指令,并通过数字.模拟的输入和输出,控制各种类型的机械或生产过程。“无锡位于长江三角区,是一个相对发达的地方。标签是指产品上的文字图形符号及一切的说明物。 随着市场经济的发展和商品的激烈竞争,标签已成为公平交易、商品竞争的一种重要形式。标签打印系统是用于工业、商业、超市、零售业、物流、仓储、图书馆等需要的条形码、二维码等标签制作,具有采用准确控制、高速运行、一体制作等要求的系统,用PLC控制环节少,比较直观。电池钢壳导电膜喷涂机是一种自动化程度高、复杂系数大的机电一体化产品,主要用于电池行业的包装。由于电池钢壳导电膜喷涂机较为复杂,制造难度大,目前这方面的需求大多依赖进口,而国外电池钢壳导电膜喷涂机的价格十分昂贵,很难被我国市场所接受。本文研究和开发一种自动化程度高,结构简单,操作可靠的电池自动电池钢壳导电膜喷涂机具有重要的实际价值。本文以研究和开发全自动的电池钢壳导电膜喷涂机为目标,完成对电池的喷涂工艺做了深入研究,完成了电池钢壳导电膜喷涂机的控制系统部分设计,应用三菱公司的FX2N-32MR-E/UL系列 PLC 实现电气部分设计和控制程序的实现。为了实现电池钢壳导电膜喷涂机高精度的性能,本文改进了普通两相混合式步进电机的闭环控制方法.
关键词:自动电池钢壳导电膜喷涂机,可编程控制器,串口通信
Abstract:Labeling machine is a high degree of automation, complex factor is big electromechanical integration products, mainly used for cosmetics, health care products, daily necessities, food and battery industries of packing. Because labeling machines is relatively complex, manufacturing is difficult, at present the most demand dependence on imports, and foreign labeling machines price is very expensive and difficult to China's market place is accepted. This paper research and development and a high degree of automation, simple structure, reliable operation of the cell phone battery to be automatic labeling machine has important practical value. Based on the research and development of the automatic labeling machines as the goal, the main completed work: The labeling process on the wafer to do in-depth studies, completed the labelingmachine control system design, application of keyence’s FX2N-32MR-E/UL Series PLC to achieveelectrical design and control procedures can be achieved.In order to achieve high precision performance labeling machine, the paper improved the ordinary two-phase hybrid stepping motor of the closed-loop control method.
Key words: automatic labeling machines, programmable controller, serial
目录
第1章 绪论 36
1.1电池钢壳导电膜喷涂机的研究现状和发展趋势 36
1.2 PLC与其它工业控制系统的比较 38
1.2.1 PLC与继电器控制系统的比较 38
1.2.2 PLC与单片机控制系统比较 39
1.3 PLC在全自动包装机上的应用 39
1.4本课题研究内容 40
第 2 章 电池钢壳导电膜喷涂机的功能分析和总体设计 41
2.1电池电池钢壳导电膜喷涂机的功能分析 41
2.2 系统整体方案设计 41
2.2.1 系统的整体架构 41
2.2.2 电池电池钢壳导电膜喷涂机的原理及工作过程 42
2.3本章小结 43
第 3 章 电池钢壳导电膜喷涂机系统硬件的设计 44
3.1 下位机控制系统的选型 44
3.1.1 PLC 技术的简介 44
3.1.2 可编程控制器的选型 45
3.1.3 伺服系统步进电机和丝杠选型 46
3.2 下位机控制系统的硬件配置 46
3.2.1 下位机控制硬件配置要求 46
3.2.2 PLC 输入输出信号地址分配 48
3.3系统主电路设计 49
3.3.1电源供电模块 49
3.3.2系统控制总电路图 51
3.4 PLC系统控制电路设计 52
3.4.1 PLC分块介绍 52
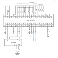
3.4.2 PLC总接线图 54
3.3 本章小结 55
第 4 章 控制系统软件设计 56
4.1 下位机 PLC 程序的实现 56
4.1.1 PLC程序执行的基本原理 56
4.1.2 下位机程序的实现 58
4.1.3 PLC 输入量的处理 58
4.2 通信程序的设计 58
4.2.1 上位机与 PLC 串口通信的协议 59
4.2.2 下位机通信程序设计 61
4.3系统控制部分梯形图设计 64
4.3.1 电池钢壳导电膜喷涂机控制系统程序结构框图 64
4.3.2手动操作的梯形图 65
4.3.3 plc控制步进电机程序 66
第 5 章 结论与展望 69
5.1 全文总结 69
5.2 研究展望 69
参考文献 71
第1章 绪论
1.1电池钢壳导电膜喷涂机的研究现状和发展趋势
早在上世纪 70 年代,欧美等发达国家就开始应用标签来管理产品。标签技术是利用标签上的产品的重要信息。将标签贴付在产品或者商品上一件繁琐的工作,传统的喷涂是靠人工手动喷涂,先将标签剥离,然后贴在产品上。不仅工人劳动强度大、喷涂顺序难以一一对应;而且不便于管理、误差较高和造成标签的二次污染。随着自动化技术的发展和制造行业的产品管理水平的提高,越来的越多的厂家倾向于使用一种高速自动电池钢壳导电膜喷涂机器,不仅可以改善喷涂质量,而且可以极大的提高喷涂速度;降低劳动力成本。
电池钢壳导电膜喷涂机的分类方法多样。按自动化程度,电池钢壳导电膜喷涂机可分为半自动电池钢壳导电膜喷涂机和全自动电池钢壳导电膜喷涂机:按容器的运行方向可分为立式电池钢壳导电膜喷涂机和卧式电池钢壳导电膜喷涂机;按标签的种类可分为片式标签电池钢壳导电膜喷涂机、卷筒状标签电池钢壳导电膜喷涂机、热粘性标签电池钢壳导电膜喷涂机和感压性标签电池钢壳导电膜喷涂机,收缩筒形标签电池钢壳导电膜喷涂机:按容器的运动形式可分为直通式电池钢壳导电膜喷涂机和转盘式电池钢壳导电膜喷涂机;按电池钢壳导电膜喷涂机结构可分为龙门式电池钢壳导电膜喷涂机、真空转鼓式电池钢壳导电膜喷涂机、多标盒转鼓电池钢壳导电膜喷涂机、拨杆电池钢壳导电膜喷涂机、旋转形电池钢壳导电膜喷涂机;按喷涂工艺特征可分为压式电池钢壳导电膜喷涂机、滚压式电池钢壳导电膜喷涂机、搓滚式电池钢壳导电膜喷涂机、刷抚式电池钢壳导电膜喷涂机等。
参考文献
[1] 袁志毅.日本喷涂自动装置的动向[J].技术与机械,2002.2(5):24-26.
[2] 孙小宁.全自动电池钢壳导电膜喷涂机的研究与开发[D].南京理工大学,2003
[3] 魏国辰.物流机械的运用与管理(第2版)[M].北京:中国物质出版社,2002
[4] 徐伟,陈卫东,谭树人.应用 RV-E3-ST 的智能电池钢壳导电膜喷涂机系统的设计与实现[J].制造工程,2006.12:8-9.
[5] 毕娟,杨存祥,马庆华,李学桥.基于 PLC 的自动电池钢壳导电膜喷涂机控制系统的研制[J].郑州轻工业学院学报,2004.1:96-97.
[6] 呼英俊,王开和,苗德华,王冬生,王宝光.小型异形瓶电池钢壳导电膜喷涂机研制[J].包装与食品机械,2002.20(1):4-6.
[7] 李标 机 贴 标 质 量 的 因 素 探 讨 [J]. 现 代 食 品 科 技 ,2006.11(22):86-88.
[8] 柳宁,郭国安,马庆华,陈鹿民.自动电池钢壳导电膜喷涂机 PLC 系统的研制[J].郑州轻工业学院学报,1997.12(2):14-16
[9] 许林成.包装机械原理与设计(第1版)[M].上海:上海科技出版社,1998
[10] 张芙蓉.全自动粘贴式电池钢壳导电膜喷涂机[J].轻工业机械[J],1997.3:33-35.
[11] 麦 进 , 陈 丽 琼 . 影 响 贴 标 机 贴 标 质 量 的 因 素 探 讨 [J]. 现 代 食 品 科 技 ,2006.11(22):86-88.
[12] 刘艳梅等著作.三菱PLC基础与系统设计.北京:机械工业出版社,2009.
 
						
 
				  
					        
							



















 
					        
					 
					 
					