基于MCS-51单片机的智能温度控制器的设计 摘要:本文从硬件和软件两方面介绍了MCS-51单片机温度控制系统的设计思路,对硬件原理图和程序框图作了简捷的描述。
关键词:MCS-51单片机;温度;软硬件;硬件原理图;程序框图;
1引言
在现代化的工业生产中,电流、电压、温度、压力、流量、流速和开关量都是常用的主要被控参数。例如:在冶金工业、化工生产、电力工程、造纸行业、机械制造和食品加工等诸多领域中,人们都需要对各类加热炉、热处理炉、反应炉和锅炉中的温度进行检测和控制。采用MCS-51单片机来对温度进行控制,不仅具有控制方便、组态简单和灵活性大等优点,而且可以大幅度提高被控温度的技术指标,从而能够大大提高产品的质量和数量。因此,单片机对温度的控制问题是一个工业生产中经常会遇到的问题。本文以它为例进行介绍,希望能收到举一反三和触类旁通的效果。 毕业设计说明书目录
1 引言--------------------------------------------------------------1
2 方案论证----------------------------------------------------------1
2.1方案一:-----------------------------------------------------1
2.2方案二:-----------------------------------------------------1
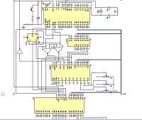
3 各电路设计和论证--------------------------------------------------1
3.1电源电路设计和论证------------------------------------------1
3.1.1 方案一:-------------------------------------------------1
3.1.2 方案二:-------------------------------------------------1
3.2 显示电路设计和论证-----------------------------------------1
3.2.1 方案一:-------------------------------------------------1
3.2.2 方案二:-------------------------------------------------1
4. 软件设计--------------------------------------------------------12
4.1程序流程---------------------------------------------------12
4.1.1系统主程序流程图----------------------------------------13
4.1.2各子程序流程图------------------------------------------12
4.2程序-------------------------------------------------------18
4.2.1主程序--------------------------------------------------18
4.2.2 各子程序-----------------------------------------------18
5.软硬件系统的调试------------------------------------------------22
6. 附录------------------------------------------------------------23
7.参考文献---------------------------------------------------------24
7.参考文献:
1.蔡美琴,MCS-51单片机系统及其应用,北京:高等教育出版社,1992
2.李华,MCS-51单片机接口技术,北京:北京航空航天大学出版社,1993
3.何立民,单片机应用技术大全,北京:北京航空航天大学出版社, 1994
4.孙涵芳,INTEL16位单片机,北京:北京航空航天大学出版社,1996
5.李朝青,单片机原理及接口技术,北京:北京航空航天大学出版社,1998
6.李广第. 单片机基础第1版,北京:北京航空航天大学出版社,1999
7.陈梓城,电子技术实训,北京:机械工业出版社,2002
8.丁元杰,单片微机原理及应用,北京:机械工业出版社,2003
9.李珍,付植桐,单片机原理与应用技术,北京:清华大学出版社,2003
10.李叶紫,胡辉, MCS-51单片机应用教程,北京:清华大学出版社,2004
11.金锋,智能仪器设计基础,北京:清华大学出版社,2005




















