函数信号发生器的设计 摘要:本课题设计了以ICL8038芯片为核心的函数信号发生器,采用直接模拟合成法技术,可以产生1Hz~100KHz的频率范围宽、频率精度高的正弦波、方波、三角波。
关键字:文氏桥振荡器,ICL8038,正弦波,三角波,方波。 引言
在我们日常生活中,以及一些科学研究中,正弦波和方波、三角波是常用的基本测试信号。此外,如在电视机中显像管荧光屏上的光点,是靠磁场变化进行偏转的,所以需要用锯齿波电流来控制,对于三角波,方波同样有这不可忽视的作用,而函数发生器是指一般能自动产生方波、正弦波、三角波以及锯齿波阶梯波等电压波形的电路或仪器。因此函数发生器是我们在学习,科学研究等方面不可缺少的工具,今天我们要设计一种能产生方波、正弦波、三角波的函数发生器。
函数信号发生器是一种高精度且频率可方便调节的信号发生器,它的出现在很大程度上给技术人员在电路实验和设备检测中带来了便利。在通信、广播、电视系统中,同时在工业、农业、生物医学等领域内,如高频感应加热、熔炼、淬火、超声诊断、核磁共振成像等,都需要功率或大或小、频率或高或低的信号发生器。本课题欲解决能同时输出三种波形:方波、三角波、正弦波;频率范围与波形精度也有一定的要求。
信号发生器是一种常用的信号源,广泛用于电子电路,自动控制和科研实验中,常用的信号发生器大部分用模拟电路构成的,体积大,可靠性差,准确度低。随着集成制造技术的不断发展,多功能信号发生器已被制作成专用集成电路。该电路使用方便,调试简单,性能稳定,它不仅能产生正弦波,同时还能产生三角波和方波。本文介绍的一种用5G8038单片集成函数信号发生器构成的信号发生器,它只需外接很少的几只元件就能实现一个多种波形输出的信号发生器。
基于单片机控制的信号发生器的研制方案从设计原理上综合了传统的硬件电路产生函数信号波形和采用直接数字合成技术产生函数信号波形的优点,增加了仪器输出信号的波形种类,输出信号性能也明显改善。具有良好的人机界面,并能实时显示输出波形及其参数,方便操作,增强了操作者和微处理器之间的对话能力。系统具有自检、自诊断功能,能够及时和准确地仪器故障发生的部位和特征,不仅方便了维修,而且保证了输出的可靠性。系统配有标准接口,具有远地输入输出能力,可纳入自动测试系统中工作。据此方案为某电子仪器仪表公司所研制开发的多功能智能函数信号发生器,具有新颖、价格低廉, 性能优良, 使用方便,体积小,功耗低,频率低限几乎无限制,稳定性好,频率幅度控制方便。结构简单、高性能、操作控制灵活的特点,具有很大的市场开发、应用前景。
毕业设计说明书目录
1 引言 14
2 函数信号发生器的基本原理 15
3 方案论证 16
3.1 方案一:由振荡器构成的函数信号发生器 16
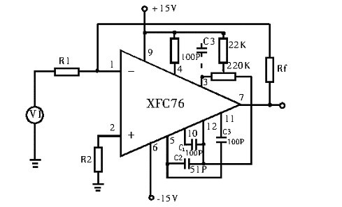
3.2 方案二:单片机控制的信号发生器 17
3.3 方案三:5G8038单片集成函数信号发生器 19
4 函数信号发生器设计 20
4.1 单片集成函数信号发生器ICL8038 20
4.2 高速集成运算放大器 26
4.3 函数信号发生器电路图和参数计算 31
5 仿真实验波形图 34
参考文献
[1]谢嘉奎,宣月清,冯军编. 电子线路(线性部分).高等教育出版社,1999年6月.
[2]谢沅清,解月珍编.通信电子电路.北京邮电出版社,2000年2月.
[3]王永洪编.线性集成运算放大器及其应用.机械工业出版社,1989年2月.
[4]梁恩主,梁恩维著.Protel 99SE电路设计于仿真应用.清华大学出版社,2000年11月.
[5]张郁弘,庄灿涛著.晶体管运算放大器及其应用.国防工业出版社,1978年9月.
[6]王戌芮等译,美国国家半导体公司编.通用线性电子器件数据手册.科学出版社,1995年9月.
[7]R.F.格拉夫著.电子电路百科全书.科学出版社,1986年7月.
[8]刘志军编。电子测量与模拟电路实验技术.2001年4月.
[9]李万臣,于蕾,朱海峰编.模拟电子技术基础 设计 仿真 编程与实践.哈尔滨工程大学出版社,2005年5月.
[10]戴伏生编.基础电子电路设计与实践.国防工业出版社,2002年4月.
[11]Protel World Wide Web Site http://www.protel.bysj1.com.
[12]National World Wide Web Site http://www.national.bysj1.com.





















