带存贮及通讯功能的数字温度计   1 引言
随着半导体技术的不断发展,热敏电阻作为一种新型感温元件应用越来越广泛。他具有体积小、灵敏度高、重量轻、热惯性小、寿命长以及价格便宜等优点。单片机在测控系统中的作用是对信息进行处理、运算和发出控制命令等,但所要处理的信息是从外界拾取的,拾取的信号可以分为开关量和模拟量两种。开关量只需放大、整形和电平转换等处理后,即可直接送入单片机系统。但输入量如果是模拟量,处理的复杂程度就大大地增加了,由于模拟输入信号一般很微弱,需要进行放大,对于一个测控范围较大的仪器,还要有多级可变放大电路。另外,在放大有用信号的同时,干扰信号也被同时放大,还要进行必要的滤波处理。所以要设计出一个真正实用的单片机测控系统,必须先设计好适用的前向通道。根据被测对象输出信号的类型、大小、数量不同,前向通道的结构类型也各不相同。本实验以温度测量为主,在通过RS-232串口与计算机进行数据交换,贴近实际,实用性强。
   摘要:该温度控制器是以PT热敏电阻为传感器的信号采集端,将温度信号转换成电压信号,再经ADC0809进行摸数转换,进一步将电压信号转换成单片机可以处理的00H~FFH数字信号,并保证温度与数字信号实时同步,经单片机80C51进行数据处理,再进一步变成与实际温度相符合的数字信号,并通过RS-232串口与计算机进行数据交换,将其所得数据在计算机进行存储并显示。
关键词:单片机 数字温度计 通讯
  毕业设计说明书目录
1 引言-----------------------------------------------------------------  20
2 方案论证-------------------------------------------------------------  20
2.1 各个方案-------------------------------------------------------  20
2.2电路设计和比较--------------------------------------------------  20
2.3硬件电路框图----------------------------------------------------  21
3各功能块电路的设计----------------------------------------------------  21
3.1采集电路的设计--------------------------------------------------  21
3.2 ADC0809模数转换电路设计----------------------------------------  22
3.3 AT89C51简介----------------------------------------------------  24
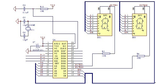
3.4 ZLG7289A显示电路设计-------------------------------------------  24
3.5 RS-232串口电路设计---------------------------------------------  26
4软件设计--------------------------------------------------------------  27
4.1下位机软件------------------------------------------------------  27
4.2上位机程序------------------------------------------------------  33
5软硬件系统的调试------------------------------------------------------  35
5.1硬件调试--------------------------------------------------------  35  
5.2软件调试--------------------------------------------------------  36
 
						
 
				  
					        
							



















 
					        
					 
					 
					