多功能微电脑病床呼叫系统摘要
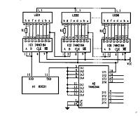
目前,许多医院住院病房靠步行呼叫值班员,存在医护人员不能及时赶到,甚至激化医患矛盾等问题)为方便病号呼叫值班医护人员,可设计个呼叫系统,将病房的呼叫信息及时反映给值班人员)该系统的主要功能有:数码显示病号所在的病房号、病床号、声音报警提醒值班人员,若有多个病号同时呼叫,则循环显示病房的代号,确保信息不丢,按给定顺序沿信号线向呼叫器发出对应地址的脉冲数,如果呼叫器有动作,该呼叫器沿信号线返回给主机个脉冲,主机检测到后就振铃报警并显示病房号、病床号)若没有动作,信号线处于低电平,从而完成主机和呼叫器之间的应答)
病床呼叫系统是病人请求值班医生或护士进行诊断或护理的紧急呼叫工具。可将病人的请求快速传送给值班医生或护士,是提高医院和病室护理水平的必备设备之一。继电器控制的门铃式呼叫系统,由于外观粗造、噪声大、功能单一,在医院达标定级中已不能适应现代医院的要求。利用单片机的多机通讯功能,设计出的具有呼叫、振铃、显示排队、优先权设定、通话、烟火报警等功能的多功能微电脑病床呼叫系统,满足了医院的病房管理和护理的要求。
设计总结
通过本次单片机的课程设计,我对单片机有了更深的了解。
这次设计给了我们一个实践的机会,很好地检验了我们对单片机的掌握情况。在设计过程中,我们也在不断地增加自己的专业课的知识。不仅把已学的知识用出来,也把不懂的知识学过来,真可谓一石二鸟。在这过程中,我也懂得了如何去思考问题,如何去排列版面,如何让自己的设计紧凑,明白简洁。在设计中我知道了单片机的运行模式,以及单片机的控制作用。我认为单片机在控制方面的作用是相当优越的,既简单又有效,而且故障率底。特别是它的嵌入式应用形态有着独特的优点,这也是它前景无限好以及在各个领域广泛应用。
参考文献
1 何立民。《单片机应用系统设计─系统配置与接口技朮》 北京航空航天大学出版社,1989
2 田学锋,周予滨 《计算器通信与RS-232接口实用指南》 电子工业出版社,1995
3 潘新民,王燕芳《单片微型计算机实用系统》 人民邮电出版社1992 , 7
4 孙函芳,徐爱卿《单片机原理及应用》 北京航空航天大学出版社1988 , 2




















