基于单片机的病床呼叫系统
摘要:系统是基于51系列的单片机设计的病床呼叫系统。该系统以AT89C51单片机为核心辅以矩阵键盘、LED点阵显示电路和部分简单模拟和数字电路组成的能够实现病人和医护人员之间信息的传递。在该设计中每个病床都有一个按键,当患者有需要时,按下按键,此时 值班室的显示屏可显示此患者的床位号,多人使用时可实现循环显示,医护人员按下“响应”键取消当前呼叫。此系统能够为医院提供一个成本低、效率高、操作方便和易于安装维护的快捷系统。
关键词:单片机;矩阵键盘;点阵;LED显示;呼叫系统
Sickbed Call System Based on Single Chip Microcontroller
ABSTRACT:System is based on 51 series single-chip design bed calling system. The system is supplemented with AT89C51 microcontroller as the core matrix keyboard, LED dot matrix display circuit and some simple analog and digital circuits can be realized transfer of information between patients and staff. In this design, each unit has a button that when patients need, press the button, then the duty room display shows the patient's bed number, when people use to achieve cycle, medical press "responding" to cancel the current call. Low This system can provide the hospital with a cost, high efficiency, easy operation and maintenance of the system is easy to install quickly.
Keywords: SCM; matrix keyboard; lattice; LED display; call system
目录
第一章 绪论 3
第二章 单片机原理及介绍 5
2.1单片机的简介 5
2.2 单片机的结构特点 5
2.3 单片机的实际应用 5
2.4 控制器AT89C51 6
第三章 系统硬件设计 8
3.1复位电路 8
3.2晶振电路 9
3.3键盘电路 10
3.4显示电路 12
3.5电铃电路 14
第四章 系统软件设计 15
4.1系统编写语言介绍 15
4.2单片机C语言使用的编程软件 15
第五章 基于单片机的病床呼叫系统的设计实现 17
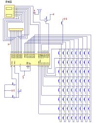
5.1.系统总体设计 17
5.2程序设计 18
5.3系统的调试与结果 23
5.4结果分析 23
结论 24
致谢 25
参考文献 26
附录 27
第一章 绪论
病床呼叫系统是应用在医院病床,用于联系医护人员与病员的呼叫系统,是提高医院医护水平的设备之一。
目前市场上存在着多种型号各不相同功能各异的医院病床呼叫系统,主要分为两大类:有线式和无线式。无线式病床呼叫系统 不存在铺设线路的问题,但是可靠性差,而且无线电波会干扰其他医疗仪器设备。本文设计的是有线式的,适合较小的医院病床使用,具有成本低,易于操作、安装和维护,而且具有可靠稳定,对其他医疗设备不会产生干扰等特点;但由于布线较多,影响美观,故不适宜较大的医院。
病床呼叫管理系统便于病员快捷的呼叫护士,缩短人工呼叫的时间,能够使病员及时快捷地与医护人员进行沟通。
参考文献
[1] 王意岗.病床呼叫系统[J].建筑电气,2004(23):179-182.
[2] 朱艳华,田行军,李夏青.基于PL3105的病床呼叫系统设计[J].北京石油化工学院学报,2009,17(2):40-43.
[3] 邬春明,王艳茹.基于低压线载波技术的病床呼叫系统[J].电子技术应用,2005,31(9):60-63
[4] 何立民.《单片机初级教程-单片机基础》[M].北京:北京航空航天大学出版社,2006,82(1):2-3
[5] 李朝青.单片机原理及接口技术[M].北京:北京航空航天大学出版社,2005
[6] 康华光《电子技术基础》[M]. 北京:高等教育出版社, 2000:17-23
[7]康华光《电子技术基础(模拟部分)》[M]. 北京:高等教育出版社, 1999:112-119
[8]丁元杰.《单片微机原理及应用》[M].北京:机械工业出版社, 1996:256-276
[9]何立民.《单片机应用技术选编》[M].北京:北京:航空航天大学出版社, 1996.218~224
[10]张培仁等.《MCS-51单片机原理与应用》[M]. 北京.清华大学出版社, 2003:130~145
[11]李伯成《单片机及嵌入式系统》[M]. 北京:清华大学出版社, 2005:337-346
[12]肖金球《单片机原理与接口技术》[M]. 北京:清华大学出版社, 2004:153-159
[13]王环,张亚宁 《单片机程序设计实例》[M] 北京:清华大学出版社, 2003:520-524
[14]治刚.《单片机应用技术与实训》[M]. 北京:清华大学出版社, 2004:130-133
[15]胡汉才.《单片机原理及接口技术》[M]. 北京:清华大学出版社, 1995:111-123
[16]徐淑华等.《单片机微机原理及应用》[M]. 哈尔滨工业大学出版社, 1994:336-351
http://www.bysj1.com/ http://www.bysj1.com/html/5215.html http://www.bysj1.com/html/5215.html




















