精密数字毫秒计(1)    摘要:数字秒表,主要由以下几部分组成:1.控制部分;2.计数显示电路;3.电源电路。此次采用的方案是利用时基脉冲发生器产生振荡,通过控制电路等转换,最后到计数显示电路显示。此计数器计时精度210;最大量程99.99秒;稳定度510/连续工作12小时。信号输入方式:(1)机控用触点输入;(2)光控用光点输入;具有清零功能;适宜工作环境-25~+50度(摄氏度)。
关键词:时基脉冲、振荡、控制电路、计数显示电路
1.引言
   计数器计是一个很接近我们生活的一个小产品,为了将自己所学运用于实际生活中,我的设计课题是数字毫秒计数计。
   本设计的课题为精密数字毫秒计数计,所要达到的目标并不是很多,及其考虑的因素也不是很专业化,主要目的只是检验所学知识的系统结构与密度,培养自己的创新能力与实践能力。
   设计过程中,参考选录了近期一些芯片的最新技术资料和数据资料,在此,对这些设计者能够向广大朋友提供资料表示感谢!
   此次制作过程中,得到指导老师的大力支持,还有同学的帮助,顺利的完成。单独自己个人的力量是无法达到这样的效果的,在此我对他们给予的帮助表示深深的感谢!
   时间是具有连续性、单向性和序列性的,而且总是不断向前推进。牛顿的经典时空理论认为:时间是绝对的,与参照系无关,与空间也无关。爱因斯坦的相对论则认为:时间是相对的,与参照系和空间都有密切的联系。而量子力学的建立,又为时间的连续性提出质疑,提出了最短时间间隔的观点。
   时间的量度一般以稳定的周期性运动为基础,以选定标准的周期运动的周期的某一倍数或分数为时间单位。时间是一种能用周期性的物理现象来观察和测量的物理量。在国际单位制中,时间的主单位为秒。
   早期使用的计时产品电路复杂、接插件多,使用过程中常出现工作不稳定的现象。它们大多用的是灯泡及光敏三极管,由于白天光线较亮,物体通过光电门时,光线明、暗变化不明显,易造成测量失误的现象。
   在宏观测量中,往往需要用到比秒大的单位;而在微观领域中,又常常用到比秒小的单位。所以我们经常用秒的倍数或分数来表示时间,而这些也正是我们现实中常用的。
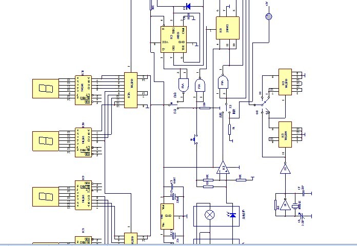
  本次设计的精密数字毫秒计是由时基脉冲发生器、控制电路、计数显示电路、清零电路、电源电路、光电开关和光电门组成的计时系统。该机主要特点是:电路简单,成本低廉、制作容易、测量精度高、电路工作稳定、抗干扰能力强
   现在我就来制作一个,虽然不是很专业,少但是是自己的一个尝试。此次设计中我考虑了两种方案!此次我采用的是数字毫秒计数器,同样其中还有另一中方案,下面我将着重介绍自己所采纳方案。虽然设计过程很粗略化,但是我觉得学到的东西很多,自己的能力也相应地得到了提高;毕竟由于自己的能力有所限制,设计难免有所纰漏,时间仓促,能力有限,有诸多不足之处,还希望大家多多批评指正!
      毕业设计说明书目录
1 引言………………………………………………………………………………10
2 方案论证…………………………………………………………………………11
   2.1方案一:…………………………………………………………………11
   2.2方案二:…………………………………………………………………11
3 各电路设计和论证………………………………………………………………11
   3.1 方案一……………………………………………………………………11
  3.1.1仪器的基本结构……………………………………………………11
  3.1.2时基脉冲电路………………………………………………………12
  3.1.3控制部分……………………………………………………………13
  3.1.4计数显示电路………………………………………………………16
  3.1.5自动延时清零电路…………………………………………………19
  3.1.6电源电路……………………………………………………………21
  3.1.7安装与调试…………………………………………………………22
   3.2  方 案 二…………………………………………………………………23
    3.2.1 AT89C51芯片介绍…………………………………………………23
    3.2.2复位电路……………………………………………………………25
    3.2.3振荡电路……………………………………………………………25
    3.2.4电源电路……………………………………………………………26
    3.2.5显示电路……………………………………………………………26
    3.2.6汇编语言程序………………………………………………………26
    3.2.7调试与使用…………………………………………………………30
4. 附 录……………………………………………………………………………31
参考文献
1沈任元 编著.数字电子计数基础 .北京:机械工业出版社 . 2000
2关键,张晓娟 编著.电子CAD技术(第二版).北京:电子工业出版社.2006
3沈任元,吴 勇 编著.常用电子元器件简明手册.北京:机械工业出版社.2000
3沈任元,吴 勇 编著.数字电子技术基础.北京:机械工业出版社.2000
4 胡翔骏 编著.电路基础.北京:高等教育出版社.1996
 
 
						
 
				  
					        
							



















 
					        
					 
					 
					