3¾位LEDLCD显示的数字电压表的设计 摘要:TC831是美国Telcom公司研制的具有测频功能的3¾位A/D转换器。它不仅能构成高性价比的3¾位LED或LCD显示的数字电压表,而且很容易配微机,是MC14433、ICL7107型3½位A/D转换器理想的更新换代产品。
关键词:A/D转换器 频率测量 峰值检测 BCD码输出 数字电压表
1 引言
毕业设计说明书目录
1.引言 …………………………………………………………………………………1
2.TC831芯片介绍 ……………………………………………………………………2
2.1 TC831的性能特点 …………………………………………………………3
2.2 引脚功能 ……………………………………………………………………3
2.3 工作原理 ……………………………………………………………………4
2.4 峰值检测分析 ………………………………………………………………5
2.5 频率测量分析 ………………………………………………………………6
3.双积分式A/D转换器 ………………………………………………………………6
3.1 转换方式 ……………………………………………………………………6
3.2 电路结构 ……………………………………………………………………6
3.3 工作原理 ……………………………………………………………………7
3.4 特点 …………………………………………………………………………9
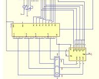
4.3¾位LED/LCD显示数字电压表的电路设计 ……………………………………10
4.1 LED的结构与原理 …………………………………………………………11
4.2 3¾位共阳极LED显示数字电压……………………………………………11
4.3 74LS47芯片介绍……………………………………………………………11
4.4 LCD的原理与性能、特点…………………………………………………13
4.4.1 概述………………………………………………………………………13
4.4.2 LCD的结构………………………………………………………………13
4.4.3 液晶的物理特性…………………………………………………………13
4.4.4 液晶分子的性质…………………………………………………………13
4.4.5 LCD的工作原理…………………………………………………………14
4.4.6 液晶显示器件及主要性能………………………………………………15
4.4.7 液晶显示器的驱动方式…………………………………………………16
4.5 3¾位LCD显示数字电压表…………………………………………………17
4.6 外围元器件选择……………………………………………………………18
5.参考文献………………………………………………………………………
参考文献
1.沙占友.《数字万用表功能扩展与应用》(世纪新版). 人民邮电出版社
2.翁桂荣 邹丽新.《单片微型计算机接口技术》.苏州大学出版社
3.谢嘉奎.《电子线路(线性部分)》[M].高等教育出版社,1999.
4.沙占友.《新型数字万用表原理与维修》[M].电子工业出版社,1994.




















