人体防盗传感器设计 摘要:本文主要介绍了热释红外传感器的工作原理,另外还介绍一些热释红外线的各个组成部分及其功能。根据红外线原理制成的各种类型的探测器,给出了一种被动型热释电红外报警器的结构原理及其应用电路。
关键词:热释电红外传感器 声光报警
1 引言
随着时代的不断进步,人们对自己所处环境的安全性提出了更高的要求,尤其是在家居安全方面,不得不时刻留意那些不速之客。现在很多小区都安装了智能报警系统,因而大大提高了小区的安全程度,有效保证了居民的人身财产安全。由于红外线是不可见光,有很强的隐蔽性和保密性,因此在防盗、警戒等安保装置中得到了广泛的应用。此外,在电子防盗、人体探测等领域中,被动式热释电红外探测器也以其价格低廉、技术性能稳定等特点而受到广大用户和专业人士的欢迎。
目前国内使用的各类防盗、保安报警器基本都是以超声波、主动式红外发射器接收以及微波等技术为基础。而这里所设计的被动式红外报警器则采用了美国的传感元件——热释电红外传感器。这种热释电红外传感器能以非接触形式检测出人体辐射的红外线,并将其转变为电压信号,同时,它还能鉴别出运动的生物与其它非生物。热释电红外传感器既可用于防盗报警装置,也可以用于自动控制、接近开关、遥测等领域。用它制作的防盗报警器与目前市场上销售的许多防盗报警器材相比,具有如下特点: 毕业设计说明书目录
1 引言 ……………………………………………………………………………………15
2 方案论证 ………………………………………………………………………………15
2.1方案一 ………………………………………………………………………15
2.2方案二 ………………………………………………………………………16
3 各电路设计和论证 ……………………………………………………………………19
3.1电源电路设计和论证 …………………………………………………………19
3.1.1 方案一 ……………………………………………………………………19
3.1.2 方案二 ……………………………………………………………………21
3.2电红外电路的设计和论证 ……………………………………………………22
3.2.1被动式热释电红外电路的设计……………………………………………22
3.2.2主动式红外电路的设计 …………………………………………………24
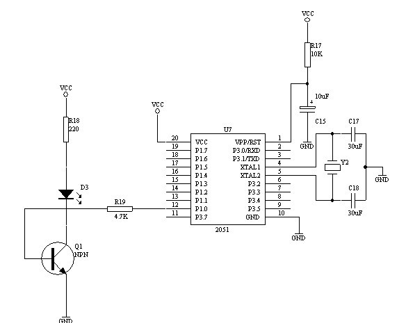
3.2.3报警电路的设计 …………………………………………………………26
3.2.4数据通信的设计 …………………………………………………………27
4 软件设计 ……………………………………………………………………………28
4.1.1系统主程序流程图 ………………………………………………………28
4.1.2各子程序流程图 …………………………………………………………29
4.2.1 部分子程序 ………………………………………………………………29
5 软硬件系统的调试………………………………………………………………………31
6 部分元器件简介 …………………………………………………………………………31参考文献
[1] 刘舒祺, 施国梁. 基于热释电红外传感器的报警系统.国外电子元器件, 2005 (3) : 18220.
[2]陈有卿. 新颖集成电路制作精选[M ]. 北京:人民邮电出版社, 2005.
[3] 李冰,姜波,汪滨瑜. BZSS0001在热释电红外开关上的应用[ J ]. 应用技术, 2006, 33 (2) : 31233.
[4] 陌尘编码解码芯片PT2262 /PT2272作原理[ J ]. 电子制作, 2004 (8) : 44244.
[5] 李玉忠. 双音多频译码器MT8870的应用技巧[ J ]. 无线电, 2001 (6) : 40240.
[6]马兴兵, 杨鼎才, 易小葱,等. 一种新型热释电红外无线监控电话报警系统[ J ]. 现代电子技术, 2004, 172
[7]刘辉.智能小区防盗报警系统的可靠性设计[J].电器时代.2002
[8]雷旭,何万强.新型家用防盗报警系统[J].现代电子技术.2003
[9]郑长风,程光伟,郭军.一种基于探测无线报警监控系统[J].现代电子技术.2003
[10]张羲,李文元,丁润涛.基于CPLD防盗报警系统的设计[J].电子测量技术.2004
[11]吴柄胜,王桂梅.8051单片机原理与应用[M].北京:冶金工业出版社,2001
[12]周明德.微型计算机系统原理及应用[M].北京.清华大学出版社,2001
[13]张毅刚,彭喜源,谭小昀,曲春波.MCS-51单片机应用设计[M].哈尔滨.哈尔滨工业大学出版社,1997
[14] 彭树生,庄志洪,赵惠昌.PIC 单片机原理及应用.北京:北京航空航天大学出版社,2002,2:10~311





















