五层电梯模型控制系统的换向换速程序设计与调试 摘要:本次毕业设计主要是对可编程控制器(PLC)在电梯电气控制系统中的应用。介绍了电梯的概况、三菱FX2N 系列可编程序控制器的工作情况;通过对系统硬件设计方法和程序设计思路的介绍,给出了五层电梯的PLC控制系统的总体设计方案和五层电梯逻辑控制部分的设计方法,实现了五层电梯模型控制系统的换向换速功能。
关键词:PLC;电梯;逻辑控制;程序设计
第一章 引言
   随着人口的增加,科学技术日新月异地发展,人们物质文化生活水平的逐步提高,建筑业得以迅速发展,大批的高楼大厦拔地而起,十几层至几十层的宾馆、饭店、办公楼、住宅楼鳞次栉比。伴随建筑业的发展,为建筑内提供上下交通运输的电梯工业也在日新月异地发展着。电梯已不仅是一种生产环节中的重要设备,更是一种工作和生活中的必需设备,完全可以预想到,随着社会的发展,电梯产品在人们物质文化生活中的地位将和汽车一样,成为重要的运输设备之一。
   电梯控制系统主要有三种控制方式:继电器控制、PLC控制、微机控制,其中继电器控制系统故障率高、触点多、可靠性差、体积大等缺点,微机控制系统抗干扰能力弱,所有它们正逐渐被淘汰。采用电梯设计使用可编程控制器(PLC),要求的功能变化灵活,编程简单,故障少,噪音低。而且维修保养方便,节能省工,抗干扰能力强,控制箱占地面积少。
   三菱FX2N 可编程控制器是三菱公司研制的一种新型可编程控制器。它工作可靠,功能强,存储容量大,编程方便,输出端可直接用2A的继电器或接触器,抗干扰能力强。因此,能满足电梯电气控制系统的要求。
   PLC作为新一代工业控制器,以其高可靠性和技术先进性,成为目前电梯系统中使用最多的控制方式,从而使电梯由传统的继电器控制方式发展为计算机控制的一个重要方向,成为当前电梯控制和技术改造的热点之一。本课题采用三菱FX2N PLC对单台五层电梯进行逻辑控制。
  毕业设计说明书目录
第一章 引言…………………………………………………………………………………14
 第二章 三菱FX2N 系列可编程序控制器介绍
   (一)可编程控制器的基础知识  ……………………………………………15
 1. 三菱FX2N PLC的主要特点  ……………………………………………15
     2. PLC的性能指标和分类   ………………………………………………15
      3. PLC系统的组成   ………………………………………………………15
   (二)可编程序控制器的工作方式及编程语言  ……………………………17
      1. PLC的工作方式   ………………………………………………………17
        1)PLC的扫描工作方式   ………………………………………………17
     2)PLC的程序执行过程   ……………………………………………… 17
     3)PLC的扫描周期   ……………………………………………………17
     4)PLC的I/O响应时间  ………………………………………………17
    2. PLC的编程语言    ………………………………………………………18
         (三)可编程序控制器与继电器、微机在电梯控制中的应用比较………… 18
      1. 继电器—接触器控制系统     …………………………………………18
      2. 微机控制系统   …………………………………………………………18
         3. PLC控制系统    ………………………………………………………18
 第三章 电梯控制系统的框图及原理
  (一)电梯控制系统的组成框图……………………………………………………… 20
  (二)电梯控制系统的详细框图……………………………………………………… 20
  (三)电梯控制系统的原理…………………………………………………………… 21
 第四章 PLC控制单台电梯的分析
  (一)电梯模型结构   …………………………………………………………22
(二)PLC单台电梯控制系统功能介绍    ……………………………………24
      1. PLC电梯控制系统三种工作方式介绍   ………………………………24
      2. PLC单台电梯控制系统的工作流程 ……………………………………24
   (三)PLC控制单台电梯方案   ………………………………………………25
      1. PLC I/O地址分配   ……………………………………………………25
      2. PLC I/O硬件连接图   …………………………………………………28
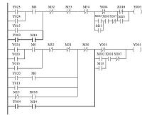
   (四)PLC单台电梯控制系统基本功能梯形图分析   ………………………28
      1. 召唤信号登记响应及清除功能  ………………………………………28
      2. 指令信号登记响应及清除功能  ………………………………………29
      3. 自动定向功能  …………………………………………………………30
      4. 停站控制功能  …………………………………………………………31
      5. 厅外开门功能  …………………………………………………………32
      6. 开门时间、上/下客时间、关门时间、门关闭控制功能  …………33
      7. 有司机直驶控制功能  …………………………………………………34
    8. 轿厢定位功能  …………………………………………………………35
    9. 层楼位置显示功能  ……………………………………………………35
   10. 马达上行/下行、运行显示控制功能  ………………………………35
第五章 PLC控制多台电梯的分析
   (一)PLC控制两台电梯协调运行的原则   …………………………………37
   (二)PLC控制两台电梯协调运行系统的功能   ……………………………37
      1. 两台电梯各自独立控制的部分  ………………………………………37
      2. 两台电梯协调运行控制的部分  ………………………………………37
      3. PLC两台电梯控制系统的工作流程   …………………………………38
   (三)PLC控制两台电梯协调运行方案   ……………………………………38
      1. PLC I/O地址分配   ……………………………………………………38
      2. PLC I/O硬件连接图   …………………………………………………41
   (四)PLC两台电梯控制系统基本功能梯形图分析   ………………………41
      1. 召唤信号登记响应及清除功能  ………………………………………41
      2. 自动定向功能  …………………………………………………………42
毕业设计总结  …………………………………………………………………………… 54
参考文献 ……………………………………………………………………………………56
参考资料
 1. 廖常初.《PLC梯形图程1.《三菱FX2n系列微型可编程控制器使用手册》机械工业出版社 2004
 2. 廖常初.《可编程序控制器的编程方法与工程应用》重庆:重庆大学出版社,2001
序的设计方法与技巧》电工技术,1998
 3.廖常初等.PLC的顺序控制编程方法.工业自动化,(香港),1997
 4. 廖常初.PLC梯形图的顺序控制设计法.电工技术杂志,2001
 5. 廖常初主编. PLC基础及应用.北京:机械工业出版社,2002
 6. 邓则名、邝穗芳等.《电器与可编程序控制器应用技术》北京:机械工业出版社,1997
 7.周少武等.《大型可编程序控制器系统设计》 中国电力出版社,2001
 8. 曹辉.《可编程序控制器系统原理及应用》电子工业出版社,2003
 9. 路林吉.江龙康等.《可编程序控制器原理及应用》清华大学出版社,2002
10. 钟秋海,付梦印.《现代控制理论与应用》
朱献清 编著.物业供用电.北京.机械工业出版社.2003
刘介才主编.实用供配电技术手册.北京:中国水利水电出版社,2002
常斗南主编 可编程序控制器原理*应用*实验.北京:机械工业出版社,2005
周恩涛主编 可编程序控制器原理及其在液压系统中的应用.北京:机械工业出版社.2003
求是科技编著 PLC应用开发技术与工程实践.电子工业出版社.2004
17. 中华人民共和国国家标准 电气制图,北京:中国标准出版社,1987
18. 余雷声主编,电气原理与PLC应用。北京:机械工业出版社,1996
19. 陈宇.段鑫编.可编程控制器基础及编程技巧.广州:华东理工大学,2003
20. 钟肇新,范建东编. 可编程控制器基础及应用.广州:华东理工大学,2002

 
						
 
				  
					        
							



















 
					        
					 
					 
					