公农历生日日期查询转换装置的设计与实现
摘要:农历是祖辈发明和使用的一种传统历法,取一个月亮周期即朔望月为月长度,以一个回归年的周期为年长度,通过闰年的基础使得平历和回归年贴合相适应。中国古代典籍中对农历均有相关记载,一般认为产生于商代。在民间也有许多地方的风俗比较重视农历生日,但是农历生日的计算在某种程度上算是一种比较麻烦的事情,因此,我设计了这套公农历生日日期查询与转换系统。本毕设采用的是PIC高性能八位单片机作为控制,配置1602液晶显示屏和矩阵键盘,结构简单,操作方便,涉及到单片机编程开发、C语言程序设计、数字电路设计等多种知识和技能,具有一定的学术价值,对中华传统文化的传承和发扬具有一定的现实意义。
关键词:公历,农历,C语言,PIC单片机
The lunar birthday date query conversion device
design and implementation
Abstract:Lunar New Year is a traditional ancestors invented the calendar, Take a moon cycles that lunar month is the length of the month, with a regression in the cycle is in length and by leap year basis which calendar and regression fit to. Ancient Chinese Books and records related to the lunar calendar are generally believed to produce the Shang Dynasty. There are also many folk customs and places more emphasis on the Lunar birthday, but in a way to calculate the lunar calendar birthday be a more difficult task, so I designed the lunar birth date public inquiry and transfer system. The system uses high-performance eight PIC microcontroller control, configuration 1602 LCD screen and a keyboard matrix, simple structure, convenient operation, involving the development of microcontroller programming, C language programming, with some academic value, Has certain practical significance to the inheritance and development of Chinese traditional culture.
Keywords: The Gregorian calendar, the lunar calendar, C language, PIC
目录
第1章 引言 2
1.1 课题来源 2
1.2课题的积极意义所在 2
1.3课题的主要研究内容 3
第2章 农历的历史及历法特点 4
2.1公农历简介及发展史 4
2.2 农历历法的特点 4
第3章 公历农历互转程序设计 6
3.1 公农历的转换原理 6
3.2 公农历互转及C语言程序 7
3.2.1 公农历换算 7
3.2.2 C语言的相关代码和注解 8
第4章 硬软件设计 12
4.1单片机的选择问题 12
4.1.1 预期目标: 12
4.1.2 基于单片机的选择进行预期目标调整 12
4.2 单片机型号的选择及原因 12
4.2.1 简述选择的单片机 12
4.2.2 PIC与51单片机各方面比较 13
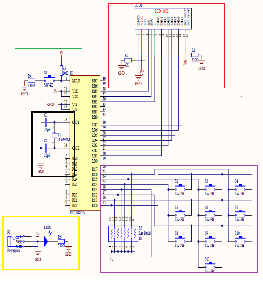
4.3 硬件总体设计 14
4.4 电路整体设计 15
4.4.1 单片机最小系统 15
4.4.2 1602液晶显示屏电路 17
4.4.3 矩阵键盘电路 18
4.4.4 电源电路 19
4.5 单片机的程序设计 19
4.5.1 LCD1602驱动程序 19
4.5.2 矩阵键盘扫描程序 22
第5章 结论 23
致 谢 25
参考文献 27
毕业设计附录目录 27
参考文献
[1] 李学海. PIC单片机原理[M]. 北京航空航天大学出版社, 2004.
[2] 刘启中. PIC单片机原理及应用[M]. 北京航空航天大学出版社, 2003.
[3] 杨河理, 熊晓东. 电子万年历中公历农历互换算法研究[J]. 长江大学学报:自科版, 2006, 3(4):86-88.
[4] 马肇曾. 回历、公历、农历的换算[J]. 西北民族研究, 2000(2).
[5] 张业武, 杨金辉, 李竹. 如何将农历转换成公历[J]. 中国卫生统计, 2005, 22(5):349-349.
[6] 郑丽丽, 谢磊, 李清宝. 一种公历到农历日期转换算法的实现[J]. 微计算机信息, 2005(20):74-76.
[7] 马维生. 奇妙的公历、农历对照表[J]. 河北纺织, 2009(1):94-95.
[8] 陈松岭. 公历至农历转换的单片机实现[C]// 2003嵌入式世界研讨暨展示会. 2003.
[9] 赵亮. 跟我学51单片机(七)——LCD1602液晶显示模块[J]. 电子制作, 2011(7).
[10] 贵国庆. ME300B型51/AVR单片机学习开发系统应用实例 1602液晶显示红外遥控键值解码器[J]. 电子制作, 2006(9):16-17.
[11] 高原. 3.3V单片机系统中矩阵键盘检测电路的改进[J]. 单片机与嵌入式系统应用, 2004(9):72-73.
[12] 徐纬. 51单片机综合学习系统——矩阵键盘篇[J]. 电子制作, 2007(11).
http://www.bysj1.com/html/7966.html
http://www.bysj1.com/html/7956.html




















