基于PLC的数控车床电气控制系统设计
基于PLC的数控车床电气控制系统设计
摘要
随着数控机床的不断发展,为了满足现代工业高速生产的要求,可编程控制器(PLC)凭借自身功能完善,适应性强,编程方法简便等特点,已成为现代数控机床的重要组成部分。
本文介绍了用可编程控制器(PLC)对数控车床电气控制系统的设计,重点描述了数控车床的电气原理图及其相应的PLC程序编制与调试方面的问题。其中详细地讲述了对PLC控制程序的编译。
根据数控车床自身的特点,其操作过程也相对复杂。利用PLC控制车床的进给运动,需要将PLC控制模块与相应的执行原件相统一组合。由于数控车床的PLC编程采用的是C语言编程,与一般数控车床的PLC不同,具有灵活,高效,使用方便等特点。
本文主要完成了对数控车床X轴、Z轴进给运动控制和报警处理等功能实现的PLC程序编程,利用了C语言编写车床的PLC控制程序,使其达到预定的操作,并通过相关设备,观察程序的运行情况。
关键词:数控车床,进给运动,PLC
Abstract
With the continuous development of CNC machine tools, in order to satisfy the high speed production requirements of modern industry, the programmable logic controller (PLC) with its perfect function, strong adaptability, programming method is simple and convenient, has become an important part of modern CNC machine tools.
This paper introduces the use of programmable logic controller (PLC) control the operation of the feed movement of HNC-21TF CNC lathe, focusing on the description of the structure of the feed movement of HNC-21TF CNC lathe, CNC lathe electrical principle diagram and the corresponding PLC program compiling and debugging of the three aspects of the problem. Which describes in detail to compile the PLC control program.
According to the characteristics of CNC lathe, its operation is relatively complex. The feed movement by using PLC control lathe, you need to PLC control module and the corresponding implementation of the original unity of combination. Due to the central HNC-21TF PLC programming using C language programming, and the general CNC lathe PLC is different, with a flexible, efficient, and easy to use.
This paper mainly completed the NC lathe of X axis, Z axis motion control and alarm functions to achieve the PLC programming, using PLC control program written in C language of the lathe, make it reach a predetermined operation, and through the relevant equipment, operation observation program.
Keywords: CNC lathe, the feed movement, PLC
目录
摘要 2
Abstract 3
目录 4
第一章 绪论 6
1.1本课题的背景及意义 6
1.2设计内容 6
第二章 数控车床进给电气控制系统设计 8
2.1伺服进给运动的电气设计 8
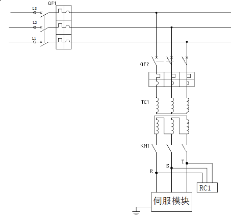
2.1.1 伺服主电路原理图 9
2.1.2伺服控制电路原理图 10
2.1.3伺服模块图 11
2.1.4进给运动PLC控制输入输出连接 12
第三章  数控车床进给运动的PLC程序设计 13
3.1程序设计前准备 13
3.1.1 PLC的I/O分配表 13
3.1.2 PLC的头文件生成及编写 14
3.2 用户自定义宏 15
3.3初始化程序设计 17
3.4 PLC1的程序设计 19
3.4.1复位函数设计 19
3.4.2急停函数设计 20
3.4.3停止轴运动函数设计 20
3.4.4超程和回零函数设计 21
3.4.5伺服控制程序设计 24
3.4.6运行函数设计 27
3.4.7 PLC函数设计 32
3.5 PLC2的程序设计 36
第四章HNC-21TF内置PLC的编写、编译及安装 43
4.1 PLC程序的编写 43
4.2 PLC程序的编译 44
4.3 PLC程序的安装 45
第五章 进给程序上机调试 45
5.1 进给程序上机调试过程 45
附录 49
参考文献 54
总结 56
致谢 57
参考文献
[1]王北平 徐良雄 陈泽宇主编. 数控机床电气控制与联调[M]. 武汉:华中科技大学出版社 2012.9。
[2]谭浩强 主编. C程序设计[M]. 北京:清华大学出版社 2010.9。
[3]武汉华中股份有限公司. 华中PLC编程说明书. 2001.7。
[4]李波、朱从英等编著[M]. AutoCAD2012中文版:电气设计完全自学手册. 北京:化学工业出版社. 2012.4。
[5]张铮 主编. 机电控制与PLC[M]. 北京;机械工业出版社. 2013.1。
http://www.bysj1.com/  http://www.bysj1.com/html/5215.html   http://www.bysj1.com
 
 
						
 
				  
					        
							



















 
					        
					 
					 
					