基于AT89S51单片机洗衣机控制系统设计
摘要:洗衣机是我们现在家中非常普遍且生活中经常需要用到的一种家电,随着科技的发展,洗衣机的功能也日新月异,人们也越发追求洗衣机的智能化。传统的洗衣机已经渐渐跟不上人们的需求。本次设计将采用AT89S51单片机,避免传统洗衣机的机械控制等缺点,使洗衣机更加方便智能,利于人们的操作,使其变得更加便利。满足人们对其智能化的需求,使用本设计的洗衣机能称为一款真正的智能洗衣机。
关键词:智能控制;单片机;洗衣机
Design of Washing Machine Control System
Absrtact: Washing machine is a kind of household appliances which is very common in our home and often used in our daily life. With the development of science and technology, the functions of washing machine are changing with each passing day, and people are increasingly pursuing the intellectualization of washing machine. Traditional washing machines have gradually failed to keep up with people's needs. This design will use AT89S51 single-chip computer to avoid the shortcomings of traditional washing machine such as mechanical control, so that the washing machine is more convenient and intelligent, conducive to people's operation and make it more convenient. To meet people's intelligent needs, the use of the designed washing machine is called a real intelligent washing machine.
Keywords:intelligent control;MCU;Washing machine
目录
第一章 绪论 4
1.1论题的背景及意义 4
第二章 洗衣机控制系统的设计 6
2.1.1 洗衣过程设计 6
2.1.2 洗衣机机械结构设计 7
2.2电路总体设计方案 7
第三章 系统硬件设计 8
3.1微控制器的选用及电路设计 9
3.1.1 AT89S51单片机介绍 9
3.1.2 单片机的电路设计 10
3.2电机和进水和排水控制模块设计 13
3.2.1可控硅的介绍 13
3.2.2交流电动机的介绍 14
3.2.3电磁阀的介绍 14
3.2.4电机与进排水控制电路 15
3.4水位检测模块的设计 15
3.4.1 水位传感器的选择 16
3.4.2 ADC0832芯片的介绍 16
3.4.3水位检测电路 18
3.5按键模块设计 18
3.6显示模块电路设计 19
3.7报警模块设计 20
第四章 系统的软件设计 20
4.1按键模块程序 20
4.1.1按键扫描程序流程图 20
4.2数码管显示模块 23
4.2.1数码管显示程序流程图 23
4.2.2数码管显示程序代码 24
4.3洗衣程序模块 26
4.3.1 洗衣机程序流程图 26
4.3.2洗衣流程程序代码 28
第五章 本次设计的总结 29
致谢 30
参考文献 20
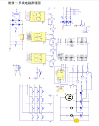
附录1:系统电路原理图 31
附录2 程序清单 32
第一章 绪论
1.1论题的背景及意义
1691年颁发了第一个属于洗衣机类别的英国专利。1752年1月,英国出版的《绅士杂志》刊登了一幅早期洗衣机的图纸。最早的洗衣机是用木棍桶内搅拌衣物来清洗,很费事费力。
真正的滚筒洗衣机雏形是通过手摇来使其旋转清洗衣物,这是洗衣机历史上的一个里程碑。
随着蒸汽时代的来临,人们开始将蒸汽用于洗衣机的动力。
直到1843年,圣约翰的加拿大约翰·E·特恩布尔(John E.Turnbull)才出现了一种洗衣机与绞链器机构相结合的装置。布伦瑞克申请了“甩干辊洗衣机”的专利。19世纪50年代,纽约州新黎巴嫩的黎巴嫩山振动筛协会的尼古拉斯·贝内特发明了“洗衣机”,但1858年,他将该专利转让给坎特伯雷振动筛村的大卫·帕克,并在那里注册为“改良洗衣机”。
玛格丽特·科尔文发明了凯旋旋转洗衣机,这台洗衣机在1876年费城国际百年展的女子展馆中展出,在同一个展览中,摇酒器为他们的机器赢得了一枚金牌。
早在1904年,报纸就对电动洗衣机进行了广告宣传和讨论。阿尔瓦·J·费舍尔被错误地认为是电动洗衣机的发明。美国专利局显示,至少有一项专利在费希尔的美国专利号966677之前颁发(例如,伍德罗的美国专利号921195)。电动洗衣机的“发明人”仍然未知。
到1940年,美国250万户家庭中有60%拥有电动洗衣机。虽然内置的旋转烘干机并不少见,但这些机器中的许多都配备了电动绞链器。
1928年,美国电动洗衣机销量达到91.3万台。然而,大萧条时期的高失业率降低了销售额;到1932年,出货量下降到60万台左右。
据推测,第一家自助洗衣店于1934年在德克萨斯州沃思堡开业。顾客们在投币口用硬币租用洗衣机。早在1884年,报纸上就出现了“自助洗衣店”这个词,在大萧条时期,这种现象很普遍。整个19世纪,英国都建立了公共洗衣房和浴室。
AVCO的子公司Bendix家用电器公司在1937年推出了第一台家用自动洗衣机,-同年申请了专利,AVCO已授权Bendix Corporation(另一家不相关的公司)使用该名称。在外观和机械细节上,这第一台机器和今天生产的前装载自动清洗器没有什么不同。尽管它包含了当今的许多基本功能,但机器没有任何鼓形悬挂,因此必须固定在地板上以防止“行走”。由于所需的部件,这台机器也很贵。例如,Bendix家庭洗衣服务手册(1946年11月1日出版)显示,滚筒速度的变化是由一个2速变速箱建成一个重型标准(不像汽车自动变速箱,虽然在一个较小的尺寸)。因为微型电动机的生产成本很高,所以定时器可能也相当昂贵。
早期的自动洗衣机通常通过临时的插入式接头连接到水槽龙头上。后来,与冷热水供应的永久性连接成为常态,因为专用洗衣水连接变得普遍。大多数现代的前装式欧洲机器现在只有一个冷水接口(称为“冷装”),完全依靠内部的电加热器来提高水温。许多早期的自动洗衣机都有投币槽设施,安装在公寓地下室的洗衣房里。
洗衣作为我们日常生活中经常用到的一种家用电器,新时代家用电器的出现,彻底改变了人们的生活,使人们免于沉重的洗涤工作,更好地减轻了人们家务劳动的压力。洗衣更多的时间和精力,洗衣不再是困扰人们的家务。
随着科技的发展,’人们对洗衣机的要求越来越高。早期的洗衣机无法满足现在的市场需求。洗涤后必须手动拧干的洗衣机长期以来不适合市场需求。目前,市场上的洗衣机主要是全自动洗衣机,特别是在城市,它具有绝对的垄断地位。全自动洗衣机以其极强的便利性和优势,对人们的影响越来越大,自动洗衣机将成为洗衣机市场未来发展的必然趋势,必将受到大家的青睐。其发展必将更加辉煌。
目前洗衣机依旧拥有很大的市场,这要求洗衣机、需要更加人性化、智能化,才能跟得上现在人们对于洗衣机的要求。单片机体积小,控制能力强。洗衣机的各个功能都可通过单片机控制来实现,所以用单片机来控制的洗衣机系统对人们来说是非常实用的。
第二章 洗衣机控制系统的设计
在编写此次论文之前,我先要让自己认识到这次的论文需要完成哪些目标,完成目标需要进行哪些步骤。然后再根据这些选择合适的软硬件,这些对最终完成目标极为重要。
传统的双桶半自动洗衣机不够便捷,也不能更加节省时间,满足不了现在的市场需求。而新型的全自动智能洗衣机,只需要用户把衣服放进去然后按下按键设定开始洗衣就行了,省时省力。虽然用PLC也可以实现对智能洗衣机的控制,但是PLC的成本太高。而单片机就拥有成本低,操作便利的优点,它更加人性化智能化,通过软件编程就可以操作。综上所述,我这里选用了AT89S51单片机来设计本洗衣机操作系统。它可以使我设计出的洗衣机控制系统更加便捷。
2.1.1 洗衣过程设计
(1) 设定洗衣过程,先正转x秒,然后反转x秒,进行这样的循环i次后,进行脱水y秒。
(2)按下开始,洗衣机加水
(3) 洗衣机开始进水。进水指示灯亮起,进水阀打开,进水,水位检测传感器检测到水位达到设定的高水位值;达到设定值后,关闭进水阀,进水指示灯熄灭,洗衣机开始清洗衣物。
(4)洗衣机开始洗衣,指示灯亮起,先正转x秒,停5秒,再反转x秒,停5秒,进行这样的循环i次后,衣物清洗完毕,洗衣指示灯熄灭,开始衣物甩干。
(5)衣服甩干,脱水指示灯亮起,排水阀打开,水位检测传感器检测到水位达到设定的低水位值,电动机带动滚筒旋转y秒。待旋转完成后,排水阀关闭,脱水指示灯熄灭,蜂鸣器报警提示洗衣过程已完成。
(6)洗衣完成,蜂鸣器响起提示用户洗衣已完成,用户按下停止键,蜂鸣器停止,洗衣机程序复位
参考文献
[1]王静霞,单片机应用技术[M],北京电子工业出版社,2015
[2]朱善军,单片机原理及应用[N],北京清华大学出版社,2005
[3]杨西明,单片机编程及入门[N],北京机械工业出版社,2004
[4]田华,电子测量技术[M],西安电子科技大学出版社,2013
[5]刘和平,单片机原理及应用[N],重庆大学出版社,2004
[6]林军,单片机微型计算机原理及技术[N],北京水利水电出版社,2004
[7]刘志名,电路分析[C],西安电子科技大学出版社,2004
[8]江志红,51单片机技术与应用系统开发案例精选[J],北京清华大学出版社,2009




















