基于89C51单片机的简易数字电压表的设计    摘要
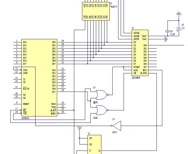
  本文给出了基于单片机的简易数字电压表设计,可以测量0~5V的8路输入电压值,并在四位LED数码管上轮流显示或单路选择显示。测量最小分辨率为0.019V,测量误差约为0.02V。但一台典型的数字电压表主要是由输入电路、A/D转换器、数字译码显示器、逻辑控制电路以及供电电源等部分组成。
  关键词:数字电压表、LED/LCD显示、A/D转换、单片机89C51。
1引言
   近年来,随着大规模集成电路的发展,由单片A/D转换器构成的数字电压表获得了迅速和广泛的应用。数字电压表具有很高的性能价格比,其主要优点是准确度高、分辨力强、测试功能完善、测量速度快、显示直观、过载能力强、耗电省及便于携带。目前,数字电压表已为现代电子测量及维修工作中最常用的一种数字仪表,正在逐步取代传统的模拟式电压表。
   数字电压表简称DVM,它是采用数字化测量的电压仪表。新型单片数字电压表以其高准确度、高可靠性、高分辨力、高性价比等优良特性倍受人们的青睐。目前,数字电压表作为数字化仪表的基础与核心、已被广泛应用于电子和电工测量、工业自动化仪表、自动测试系统等领域,显示出强大的生命力。与此同时,由数字电压表扩展而成的各种通用及专用仪器仪表,也将电量及非电量技术提高到崭新水平。近年来,过内许多厂家通过积极引进、吸收国外先进技术,努力赶超世界先进水平,现已能够大批量生产多种高、精,尖的数字电压表以及相应的标准源、校验仪。参考文献
   1  《常用电子元器件简明手册》,沈任元,吴勇。机械工业出版社。1997.3
   2  《单片机原理与应用技术》李珍,付植桐,.北京:清华大学出版社,1997.12
   3  《电子技术实训》陈梓城,北京:机械工业出版社1999.7
   4  《摸拟集成电路原理与应用》,吴运昌。华南里工大学出版社。2002.8
   5  《模拟电子技术基础》,沈任元,吴勇机械工业出版社。2003.1
   6  《数字电子技术基础》,沈任元,吴勇机械工业出版社。2003.1
   7  《自动检测技术》,马西秦,许振中,机械工业出版社。2005.6
   8  《单片机原理及应用》,杨庆宏,高等教育出版社。2006.
 
						
 
				  
					        
							



















 
					        
					 
					 
					