液压挖掘机行走装置设计     摘要:。在本次设计中,由于轮式行走机构结构紧凑且工作效率高,通过比较采用了轮胎式行走装置来满足设计要求。 根据设计要求,机重为11吨;轮胎规格为9.00-20;轮胎动力半径r=0.491米。挖掘机最大牵引力P=0.6机重;发动机功率N=58.8KW,转速2000r/min;油泵最大流量2×100l/min;最大工作压力21MPa。最高行驶速度31Km/h,设计取全桥驱动。上部转台是全回转式,因此它可在一个更大的范围内工作。又因采用液压机械传动控制而使整机性能得以改善。与传统机械式挖掘机相比,其行走能力提高到了很多。本次设计的主要内容为:液压挖掘机行走装置方案设计;绘制装配草图和总装配图;动力源选择及有关参数的确定;行走装置牵引力的计算;传动方式比较与选择、传动方案的确定及传动系统的技术设计;行星减速器及零、部件的设计计算,主要零件强度校核;绘制零、部件图和总装配图,进行仿真设计,编写设计计算说明书。
   本设计的主要特点是:方案设计中提出多种方案,从可靠性、可实现性、综合性能等进行方案比较,选择方案。其构造特点是行走部件之间的传动采用齿轮传动和液压传动,通过油缸的伸缩来实现挖掘行走过程中的动力传递。差速器与回转平台铰接技术设计中应考虑总体配置合理、安全;选材、加工方法和技术条件参阅相关技术资料;图纸按照所设计的参数进行绘制。充分注意整机各子系统之间的相关性,力求整机性能的一致性和最优化性。从中可以看出整机作业能力有了很大的改进,不仅行走速度快,且整体挖掘机器重量轻,传动平稳,作业效率高,结构紧凑。
   
关键词:液压挖掘机   行走装置   减速器
目 录
1 绪 论 1
1.1 选题意义 1
1.2 国内外研究现状 2
1.3 研究内容及方法 3
2  行走装置设计总体基本方案 4
2.1行走装置设计原则 4
2.2轮式液压挖掘机行走装置的结构形式 4
2.3液压系统的设计 6
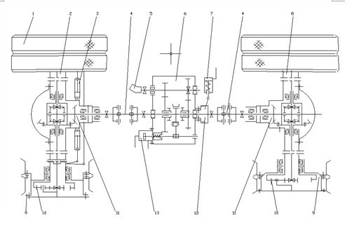
2.4轮式行走装置的传动设计(液压机械传动) 10
2.5轮式行走装置的构造 11
2.5.1悬挂装置选择 11
2.5.2 转向机构 12
2.5.3 转向方式 13
3  整机传动系的设计 15
3.1选择液压马达类型、行走速度及传动比 15
3.2实际速度及牵引力 17
3.3挖掘机行走装置参数 17
3.4  变速箱设计 18
3.4.1低速档齿轮设计 18
1 材料选择 18
2 齿数确定 18
3 按齿面接触强度设计 18
4 按齿根弯曲强度设计 21
5 齿轮几何尺寸计算 23
3.4.2高速档齿轮设计 23
3.4.3齿轮变位 24
3.5  轮边减速器 26
3.5.1传动方案的选择 26
3.5.2配齿选择 26
3.5.3行星传动系设计 27
主要参数确定. 27
4  其他部件设计 28
4.1轴和轴承设计 28
4.2轴承、键和连轴器的选择 28
4.2.1输入轴 28
4.2.2 输出轴 29
5液压挖掘机行走装置运动仿真设计 31
5.1模型的建立 31
5.2构件运动配装 31
5.2.1相似点 31
5.2.2 不同点 31
结 论 35
参考文献 36
致  谢 37
参考文献
[1]张玉川、蔡禺.进口液压挖掘机国产化改造[M].西南交通大学出版社.1998.58~64.
[2]曹善华、余涵等.单斗液压挖掘机[M].(内部材料).2007.170~203.
[3]濮良贵、纪名刚.机械设计[M].第七版.高等教育出版社.2001.292~383.
   [4]唐增宝、何永然、刘安俊.机械设计课程设计[M].第二版.华中科技大学出版社.1999. 65~159.
[5]牛学仁.理论力学[M].机械工业出版社.2000.75~90.
[6]郝兴明、王佰华、史保萱.金属工艺学[N].海洋出版社.2002.123~137. 
[7]李淑娟.机械制造工艺学[M].山西高校联合出版社.1996.57~203.
[8]王伯平.互换性与测量计术基础[M].机械工业出版社.2000.55~82.
[9]孙恒、陈作模.机械原理[M].第六版.高等教育出版社.2000.292~373.
[10]吴卓、王孙军.机械制图.北京理工大学出版社.2005.2~26.
[11]吴永平、姚怀新.工程机械设计[M].人民交通出版社.2005.52~67.
[12]诸文农.底盘设计下册[M].机械工业出版社..1981.154~180.
[13]马崇山、姚河省等.材料力学教程[M].山西教育出版社.1998.90~136. 
[14]机械工程手册、电机工程手册编辑委员会.机械工程手册[M].第六卷.机械工业出版社.1982.32-5~32-157.
[15]同济大学.钢结构[M].中国建筑工业出版社.1985.76~124.
[16]崔忠圻.金属学与热处理[M].机械工业出版社.1989.46~85.
[17]《机械设计手册》联合编写组.机械设计手册(第二版)[M].化学工业出社.2005.

 
						
 
				  
					        
							



















 
					        
					 
					 
					