二级圆柱斜齿轮减速器设计
摘 要:该论文完成二级齿轮减速器装置的设计,主要包括以下内容:介绍主要装置的性能、规格、型号及技术数据;说明了设计原理并进行了方案选择,绘出了相关图形和表格;应用原始数据以及相关公式对各种方案进行了计算,并根据计算结果确定应选用元器件或零部件;进行结构设计和方案校核;对实验中所得到的资料进行归纳、分析和判断,提出自己的结论和见解。
关键词:传动比;电动机,齿轮;减速器
Level 2 cylindrical helical gear reducer design
Abstract:The paper complete belt conveyor design of transmission device, mainly includes the following content: to introduce the main device performance, type, model and technical data。 Explain the design principle and the plan selection, draw the relevant graphics and tables, For all kinds of schemes are analyzed and compared, and introduces the characteristics of the scheme; Application of original data and related formula in the various solutions are calculated, and according to the calculated results to determine should choose what kind of components or parts; Structure design and check plan; In the experiment of information obtained concludes, analysis, and judgment, put forward its own conclusions and opinions.
Keywords:transmission,motor;gear;reducer
目录
一、毕业设计书 1
二、设计要求 2
(一)减速器装配图一张(A1) 2
(二)CAD绘制轴、齿轮零件图各一张(A3) 2
(三)计说明书一份 2
三、设计步骤 3
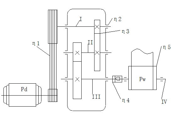
(一)传动装置总体设计方案 3
(二)电动机的选择 4
(三)确定传动装置的总传动比和减速器传动比 6
(四)计算传动装置的运动和动力参数 6
(五)齿轮的设计 8
(六)传动轴承和传动轴的设计 19
(七)键的设计和计算 29
(八)箱体结构的设计 30
(九)联轴器设计 32
四. 设计小结 33
致 谢 34
参考文献 35
附录 36
参考文献
[1]濮良贵、纪名刚.机械设[M] .北京:高等教育出版社,2013.
[2]孙桓.《机械原理》[J]西北工业大学机械原理及机械零件教研室编著.高等教育出版社.
[3]刘苏、童秉枢.现代工程图学教程[M].湖北:湖北科学技术出版社,2002.
[4]吴宗泽 .机械零件设计手册[M ] .北京:国防工业出版社,1986.
[5]闻邦椿.《机械设计手册》[M].北京:机械工业出版社,2004.
[6]王振华.《实用轴承手册》[M].辽宁:辽宁科学技术出版社,2001.
[7]朱连池.《机械课程设计指导书》[M].北京:高等教育出版社,1990.
http://www.bysj1.com/cat.asp?id=27
http://www.bysj1.com/cat.asp?id=28
http://www.bysj1.com/cat.asp?id=22




















