纯电动汽车电机控制技术研究
摘 要:近年来,随着环境问题的日益突出,公众对环保的关注力度日益
增加,环保意识在不断增强。作为第二次工业革命的产物——汽车,其对环境造
成的危害也愈发引起人们的关注。汽车对环境的破坏是一个复杂的问题,它涉及
到许多不同的方面,包括大气污染、水污染、噪声污染等,尤其是对大气的污染
最为突出。燃油车排放的尾气中含有一系列有害物质,如氮氧化物、有机化合物、
二氧化碳等,这些有害物质对我们的健康和环境带来了许多不良影响。
当科技与生活站在对立面时,这时就需技术改革,寻求技术层面的突破。于
是,新能源汽车应运而生,而在众多新能源汽车中,将电动与整车技术相融合的
纯电动汽车(Electric Vehicle,EV)脱颖而出,有着广阔的发展前景。但同时也
面临着诸多挑战,电机作为纯电动汽车唯一的动力源,其性能的优劣关乎着汽车
的诸多方面,譬如动力性、经济性、舒适性等,所以对电机的研究有着重要的理
论与实际意义。
本文主要分为七个章节,主要是对纯电动汽车的驱动电机展开研究,以便提
升电机的工作性能。第一章绪论介绍电机研究的背景和意义,对国内外电机的研
究进行概述。第二章通过目前纯电动汽车对电机的要求以及市面上常见的电机进
行比较,从而确定本文的研究对象为永磁同步电机。第三章深入探讨了电机的特
性如何影响纯电动汽车的性能,重点关注了电机的铁耗、转矩两个方面,以期提
供更有效的解决方案。第四章对电机的噪声控制展开研究。第五章研究各种控制
策略对纯电动汽车性能的影响。第六章对实验研究的经济性进行阐述。第七章进
行全文的总结与展望,总结全文,分析后续技术突破的方向。
第 1 章 绪论
1.1 课题的研究背景和意义
近年来,环保问题越来越受到人们的关注。燃油车的使用极大地加速了石油
的消耗速度,同时令得二氧化碳的排放迅猛增长。现如今如何构建一个资源节约
和环境友好型的两型社会,成为一个值得人们深思和解决的世纪难题[1]。在此背
景下,传统燃油车的发展必将受到限制。而新能源汽车因其零排放,低噪音以及
动力性能好等特点,成为了未来汽车发展的主流趋势。
将汽车的发展重点定位于新能源方向,毫无疑问是汽车行业的一次重要变革,
世界各国纷纷涌入这场重大变革中。但目前新能源汽车依旧面临着众多技术难题,
比如电池的安全,寿命问题,续航里程不足,动力不足等问题都需要解决。众所
周知,在传统汽车领域,以德国为代表的欧洲国家,日本,美国等汽车强国在汽
车方面的研究起步较早,技术较成熟,产业结构更加完整,而我国稍稍落后。于
是,我国把对汽车的研究聚焦于新能源方向,加大对新能源汽车产业的投入,并
扶持了一大批像比亚迪,蔚来,小鹏等新能源汽车公司,给予其政策和资金上的
支持。
简单的说新能源汽车是指采用非常规的燃料来提供动力的新型汽车,主要分
为四大类:①混合动力汽车(HEV)、②纯电动汽车(BEV)、③燃料电动汽车(FCEV)、
④其它类型新能源汽车[2],其中电动汽车因为结构简单、控制效率高、驾驶性能
好成为近几十年发展的主流[3]。
“三电”技术在电动汽车中起着极为重要的作用,它包括电池、电机、以及
相应的电控系统。尤其是电池,它的功率、质量、使用寿命以及安全性,在当前
的情况下,仍然存在着许多挑战。电控系统的作用是通过对应的传感器采集油门、
制动踏板等汽车电控信号,并经 ECU 处理后发送相应的指令。电机作为纯电动汽
车的动力源其作用比肩于传统燃油车的发动机,其性能的优劣对纯电动汽车的性
能有着直接性的影响。在市场对汽车的续航里程要求不断提高以及电池,电控方
面的技术尚未取得重大突破的背景下,研究转矩更大、效率更高、性能更优的电
机,对于提升纯电动汽车的经济性,提高整车的驱动力和舒适性都具有重大意义。
目 录
第 1 章 绪论 ............................................. 1
1.1 课题的研究背景和意义.......................................1
1.2 国内外研究现状.............................................2
1.3 本文主要研究内容...........................................2
第 2 章 纯电动汽车驱动电机特点分析 ....................... 3
2.1 常见驱动电机类型...........................................3
2.1.1 直流有刷电机 ......................................................................................................................... 3
2.1.2 交流异步感应电机.................................................................................................................. 3
2.1.3 开关磁阻电机 ......................................................................................................................... 3
2.1.4 永磁同步电机 ......................................................................................................................... 4
2.2 永磁同步电机结构及其控制原理...............................4
2.2.1 永磁同步电机基本结构.......................................................................................................... 4
2.2.2 永磁同步电机工作原理.......................................................................................................... 6
第 3 章 永磁同步电机转子结构研究 ......................... 7
3.1 电机铁耗分析...............................................7
3.1.1 铁耗计算方式 ......................................................................................................................... 7
3.1.2 双层磁钢结构转子铁耗.......................................................................................................... 8
3.1.3 单层磁钢结构转子铁耗........................................................................................................12
3.2 电机转矩能力与性能分析....................................15
3.2.1 齿槽转矩的产生与分析........................................................................................................15
3.2.2 双层磁钢结构转子转矩与性能............................................................................................15
3.2.3 单层磁钢结构转子转矩与性能............................................................................................17
第 4 章 永磁同步电机噪声控制研究 ........................ 18
4.1 噪声的种类及产生机理......................................18
4.1.1 噪声的种类 ...........................................................................................................................18
4.1.2 噪声的产生机理....................................................................................................................19
4.2 常见的电机降噪措施........................................20
4.3 电磁噪声控制研究..........................................21
4.3.1 电磁噪声概述 .......................................................................................................................21
4.3.2 电流谐波的优化控制............................................................................................................21
第 5 章 永磁同步电机控制技术研究 ........................ 26
5.1 驱动电机常见控制策略......................................26
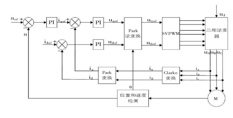
5.1.1 矢量控制 ...............................................................................................................................26
5.1.2 直接转矩控制 .......................................................................................................................28
5.2 矢量控制..................................................29
5.2.1 矢量控制流程 .......................................................................................................................29
5.2.2 最优控制分析 .......................................................................................................................30
5.3 控制技术的发展............................................31
第 6 章 经济性分析 ...................................... 32
第 7 章 总结与展望 ...................................... 33
7.1 总结......................................................33
7.2 技术展望..................................................33
参考文献 ................................................ 35
致谢.................................................... 37
参考文献
[1] 韩朝辉. 纯电动汽车用永磁同步电机控制方法研究[D].燕山大学,2018.
[2] 李静.新媒体视阈下的新能源汽车营销渠道困境与突破[J].榆林学院学报,2023,
33(03):93-97.DOI:10.16752/j.cnki.jylu.2023.03.017.
[3] 陈俭.新能源电动汽车火灾危险性分析及处置研究[J].时代汽车,2022(21):108-
110.
[4] 王宇. 纯电动汽车驱动用永磁同步电机实用化技术研究[D].哈尔滨工业大学,
2017.
[5] 陈亚莉.电动汽车驱动电机发展现状分析[J].汽车与驾驶维修(维修版),2019(0
9):64-65.
[6] 邢朝健. 基于矢量 Play 模型的电工钢片旋转损耗计算[D].沈阳工业大学,2022.
DOI:10.27322/d.cnki.gsgyu.2022.000129.
[7] 易梦云. 纯电动汽车高性能永磁同步电机研究[D].湖北工业大学,2019.DOI:1
0.27131/d.cnki.ghugc.2019.000094.
[8] 朱曰莹,赵桂范,杨娜.电动汽车用开关磁阻电机驱动系统设计及优化[J].电工
技术学报,2014,29(11):88-98.DOI:10.19595/j.cnki.1000-6753.tces.2014.11.011.
[9] 朱志富. 混合动力汽车传动系统设计及其台架试验[D].重庆大学,2012.
[10]包猛. 电动汽车用永磁同步电机的电磁振动噪声分析研究[D].合肥工业大学,
2014.
[11]罗科,吴双龙,任超,刘渊.电动汽车永磁同步电机电磁噪声分析及控制[J].电气
传动,2022,52(10):15-20.DOI:10.19457/j.1001-2095.dqcd22381.
[12]周迪,袁锋伟.永磁同步电动机无位置传感器系统仿真分析[J].机电工程技术,2
023,52(03):153-157.
[13]沈启迪. 基于改进搜索法的永磁同步电机最大转矩电流比控制研究[D].浙江
大学,2023.DOI:10.27461/d.cnki.gzjdx.2023.000083.
[14]宋毓聪,郭淑清.电动汽车永磁同步电机控制策略[J].内燃机与配件,2022(01):6
2-64.DOI:10.19475/j.cnki.issn1674-957x.2022.01.021.
[15]陈友樟,陆忠华.家用变频空调压缩机弱磁控制策略[J].家电科技,2022(S1):299
-303.DOI:10.19784/j.cnki.issn1672-0172.2022.99.064.
[16]丁学凤.纯电动汽车永磁同步电机控制技术研究[J].汽车电器,2021(12):13-14+
16.DOI:10.13273/j.cnki.qcdq.2021.12.009



















