JW12-2开关动簧片冷冲模设计
目录
1.任务书
2.开题报告
3.指导记录
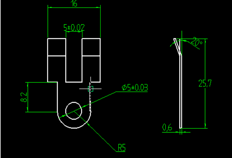
4.产品图
1.1 课题设计的主要内容................................................. 4
2.冲裁工艺思路.......................................................... 5
2.1 冲裁件介绍......................................................... 5
2.2 冲裁件可行性分析................................................... 6
2.3 工艺步骤........................................................... 7
2.4 间隙计算........................................................... 7
2.5 冲裁方案的审核..................................................... 7
3 模具整体构造....................................................... 8
3.2 搭边值的计算....................................................... 8
3.3 排样图的审核..................................................... 9
3.4 利用率的审核....................................................... 11
3.5 凸模凹模刃口尺寸审核............................................... 12
3.6 冲压力审核......................................................... 14
3.6.1 落料力计算................................................. 14
3.6.2 冲孔力计算................................................. 15
3.6.3 侧刃力计算................................................. 16
3.6.4 总压力审核................................................ 17
3.8 压力中心寻找..................................................... 18
3.9 主要零部件审核................................................... 19
3.9.1 凹模整体审核............................................... 19
3.9.2 冲孔凸模审核............................................... 20
3.9.3 折弯凸模审核............................................... 21
3.9.4 卸料板审核................................................. 21
3.9.5 凸模固定板审核............................................. 22
3.9.6 凸模垫板审核............................................... 22
3.9.7 侧刃审核................................................... 23
3.9.8 侧刃挡块审核............................................... 23
3.9.9 左侧侧面导板审核........................................... 23
3.9.10 右侧侧面导板审............................................. 24
3.10 标准件审核及选用............................................ 24
3.10.1 模架审核及选用............................................. 24
2
无 锡 职 业 技 术 学 院
毕 业 设 计 说 明 书 ( 论 文 )
3.10.2 上模螺钉审核及选用 25
3.10.3 上模销审核及选用 25
3.10.4 下模螺钉审核及选用 25
3.10.5 下模销审核及选用 25
3.10.6 卸料螺钉审核及选用 26
3.10.7 弹性元件审核及选用 26
4.校核压力机安装尺寸 27
5.设计并绘制模具总装图及选取标准件 28
6.模具地调试 29
设计后感 30
参考资料................................................................31
参考资料
[1] 《公差配合与技术测量》 徐茂功 桂定一主编 机械工业出版社 2005.5第二版
[2]《冷冲模设计资料与指导》 杨关全主编 大连理工大学工业出版社 2007.8 第一版
[3] 《工程材料与热处理》 张红英 朱怀忠主编 科学出版社 2005 第一版
[4] 钱可强.机械制图(第二版).北京:高等教育出版社,2007.
[5] 高晓康.互换性与测量技术.修订版.北京:高等教育出版社,2009.
[6] 王新华.简明冲模设计手册[M].北京:机械工业出版社,2008.
[7] 姜伯军.级进冲模设计与模具结构实例[M].北京:机械工业出版社,2008.
[8]中华人民共和国国家发展和改革委员会.JB/T 7648.2—2008 冲模侧刃和导料装置第2部分:A型侧刃挡块[S].北京:机械工业出版社,2008
1.1 课题设计的主要内容
在冷冲模设计过程中,需要注意许多方面,例如模具的工作正确性,模具装配的合理性,模具的强度要求等,因此再设计时要有全面的计划,详细的步骤,:
1.对零件图进行的分析。
2.对产品进行排样分析。
3.计算总压力大小,压力中心,选取合适的压力机器。
4.选取模具的模架大小。
5.绘制模具的装配图以及相关的零件图。
6.编写模具说明书和总结报告




















