起重机plc的设计 
目 录
第一章  总述 1
1.1  课题的来源 1
1.2  可编程控制器(PLC)与桥式起重机的概述 1
1.2.1  可编程控制器的认识 1
1.2.2  桥式起重机的认识 3
1.3  本课题研究的意义及主要任务 4
第二章  总体方案设计 5
2.1  PLC控制系统的选择 5
2.1.1  PLC系统选型——SIMENS S7-200 5
2.1.2  SIMENS S7-200系列PLC的基本构成 5
2.1.3  SIMENS S7-200PLC的工作原理 6
2.1.4  PLC控制系统的设计步骤 8
2.1.5  PLC应用程序的设计方法 9
2.2  硬件部分简述 10
2.2.1  系统控制的要 10
2.2.2  硬件组成 16
第三章  具体方案设计 17
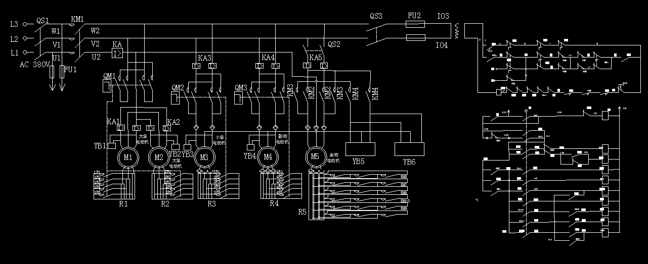
3.1  PLC桥式起重机中的I/O定义 17
3.2  桥式起重机PLC梯形图设计 17
3.2.1  大车梯形图、指令表设计与分析 17
3.2.2  小车梯形图、指令表设计与分析 21
3.2.3  主钩、副钩梯形图、指令表设计与分析 25
第四章  结  论 29
参考文献 31
致   谢 32
第一章  总述
1.1  课题的来源
桥式起重机是一种用来起吊、放下和搬运重物、并使重物在一定距离内水平移动的起重、搬运设备,在生产过程中有着重要应用。传统起重机由于工作环境差,粉尘和有害气体对电机的集电环、电刷和接触器腐蚀性大,加上工作任务重,实际过载率高,由于冲击电流偏大,容易造成电动机触头烧损、电刷冒火、电动机及转子所串电阻烧损和断裂等故障,影响现场生产和安全,工人维修量费用也很高,本论文就是研究起重机采用先进的可编程控制技术(plc),以程序控制取代继电器—接触器控制,进而实现了起重机的半自动化控制。
1.2  可编程控制器(PLC)与桥式起重机的概述
1.2.1  可编程控制器的认识
    1、可编程控制器简介
 可编程控制器(Programmable Logic Controller)简称PLC,国际电工委员会(IEC)于1985年对可编程序控制器作了如下定义:“可编程序控制器是一种数字运算操作的电子系统,专为在工业环境下应用而设计。它采用可编程序的存储器,用来在其内部存储执行逻辑运算。顺序控制、定时、计数和算术运算等操作的指令,并通过数字、模拟的输入和输出,控制各种类型的机械或生产过程。可编程序控制器及其有关设备,都应按易于与工业控制系统连成一个整体,易于扩充功能的原则设计。”PLC是一种工业计算机,其种类繁多,不同厂家的产品有各自的特点,但作为工业标准设备,可编程控制器又有一定的共性。
    2、可编程控制器的发展历史
1969年,美国数字设备公司(DEC)研制出了世界上第一台可编程控制器PDP-4,在美国通用汽车公司的生产线上试用成功,并取得了满意的效果,可编程控制器从此诞生。由于当时的plc只能取代继电器接触器控制,功能仅限于逻辑运算、计时、计数等,所以称为“可编程逻辑控制器”。伴随着微电子计术、控制技术与信息技术的不断发展,可编程序控制器的功能不断增强。美国电气制造商协会(NEMA)于1980年正式将其命名为“可编程控制器”,简称pc,由于这个名称和个人计算机的简称相同,容易混淆,因此在我国,很多人仍然习惯称可编程控制器为plc。
3、可编程控制器的应用
目前,PLC在国内外已广泛应用于机械制造、钢铁、石油、化工、电力、建材、汽车、纺织、交通运输、环保以及文化娱乐等各行各业。随着PLC性能价格比的不断提高,其应用范围还将不断扩大。其应用大致可归纳为如下几类:
参考文献
[1]胡宗武.起重机设计与实例.——北京:机械工业出版社,2009.6
[2]田淑珍.S7-200Plc原理及应用.——北京:机械工业出版社,2009.4
[3]向晓汉.机电一体化设备plc控制与调试.——无锡职业技术学院,2010.8
[4]张万忠.可编程控制器入门与应用实例:西门子S7-200系列.——北京:中国电力出版社,2005
[5]高钦和.PLC应用开发案例精选.——北京:人民邮电出版社,2008.07
[6]吴中俊、黄永红.可编程序控制器原理及应用.——北京:机械工业出版社,2004.4
[7]王淑英.电气控制与PLC.——北京:机械工业出版社,2005.1
[8]田景亮.桥式起重机构造与检修.——北京:化学工业出版社,2008.6
[9]白玉岷.电动起重机械电气设备安装调试及运行维护.——北京:机械工业出版社,2011.2
[10]赵化启、王越男、于贵文.电气控制与可编程控制器.——北京:电子工业出版社,2009.12
[11]刘小春.电气控制与PLC技术应用.——北京:电子工业出版社,2009.9
[12]王少华.电气控制与PLC应用.——长沙:中南大学出版社,2008.8
 
http://www.bysj1.com/ http://www.bysj1.com/ http://www.bysj1.com/html/4318.html http://www.bysj1.com/html/4294.html http://www.bysj1.com/html/4314.html http://www.bysj1.com/html/3589.html http://www.bysj1.com/html/4349.html
http://www.bysj1.com/ http://www.bysj1.com/  http://www.bysj1.com/html/4302.html  http://www.bysj1.com/html/4417.html
 
						
 
				  
					        
							



















 
					        
					 
					 
					