3Y15变速箱体制造工艺规程及专用夹具设计(镗).
摘要
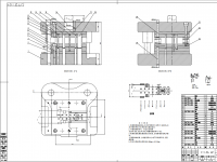
本次设计是3Y15变速箱箱体零件的加工工艺规程及其专用镗孔夹具设计。根据 3Y15 大三轮压路机变速箱体的具体情况和生产纲领要求,本文较详细地设计3Y15变速箱体加工工艺方案的设计原则和工艺路线,在工艺方案的设计研究过程中,选择了各组合机床,首先进行箱体的底面和侧面的粗铣、精铣,然后进行底面定位销孔的钻孔和铰孔。然后进行对合面粗铣。然后粗铣两侧面,接着在精铣对合面,在进行两侧面的精铣。再进行在进行对合面钻孔,接着在将对合面钳合,接着粗铣箱体端的两侧面,接着精铣最后对构面进行镗孔,钻孔和攻丝。通过论证分析,体现了所选方案设计的合理性、可行性。另外,选择合理的切削用量,对提高产品加工的质量、生产率、成本、设备利用率等指标有重要作用。作为制造系统重要组成部分的夹具设计和机床设计部分,制造系统对其提出了较高的要求。本文从提高箱体制造技术出发,详细地阐述了夹具设计中的设计原则、设计步骤、注意点等,针对钻左右两面设计出了一套专用镗床夹具,以满足箱体镗孔的大批量生产要求。
关键词 3Y15变速箱;加工工艺;专用夹具
目 录
1 绪论 1
2 3Y15大三轮压路机变速箱体简介 2
2.1 概述 2
2.2零件的作用及机构特点 2
2.3 零件的工艺分析 2
2.4确定工艺方案的原则及方案的比较 3
2.4.1 粗、精加工分开原则 3
2.4.2 工序集中与分散的原则 3
2.4.3 制定工艺方案应注意的其它问题 4
2.5 确定箱体的生产类型 4
2.6 工序尺寸的基本要求 4
2.7 确定切削用量和基本工时 6
2.8 各种加工工艺和加工方法 20
2.8.1 平面加工工艺 20
2.8.2 螺纹加工工艺 20
2.9常用工艺主要工序能达到的精度和表面粗糙度 20
2.9.1 平面加工 20
2.9.2 螺纹孔加工 20
2.10工艺规程的设计 21
2.10.1 确定毛坯材料 21
2.10.2 定位基准的选择 21
2.10.3 制定工艺路线 21
3 加工工序图与示意图的设计 23
3.1 零件加工工序图 23
3.1.1 零件加工工序图的作用与内容 23
3.1.2 绘制零件加工工序图的规定及注意事项 23
3.2 零件镗孔加工示意图 24
3.2.1 零件镗孔加工示意图的作用和内容 24
3.2.2 绘制零件镗孔加工示意图的注意事项 24
3.2.3 刀具的选择 25
3.2.4 确定主轴类型、尺寸 25
3.2.6 标注切削用量 25
3.2.7 动力部件工作循环及行程的确定 25
4 夹具的设计 26
4.1机床夹具的概述 26
4.1.1 机床夹具及其组成 26
4.1.2 机床夹具的分类 26
4.1.3 机床夹具的功用 27
4.1.4 对镗床夹具体的要求 28
4.2设计方案的确定 28
4.2.1 设计任务 28
4.2.2 总体设计方案的制定 28
4.2.3夹具的工作过程 28
4.3 专用夹具的设计步骤 29
4.3.1 确定夹具体的毛坯结构 29
4.4 研究原始资料 29
4.5夹具元件的选择与设计 29
4.5.1定位元件的选择 29
4.5.2夹紧元件的选择 30
5 绘制夹具总装配图 33
5.1 标注夹具总装配图上各部分尺寸和技术要求 33
5.2 夹具公差配合的制订 33
5.2.1 制订夹具公差与技术条件的依据 33
5.2.2 制定夹具公差和技术条件的基本原则 33
5.3夹具公差的制订 34
5.4 夹具技术条件的制订 34
5.5夹具设计部分的计算 34
5.5.1 基准的选择 34
5.5.2定位误差的分析 34
5.5.3夹具设计及操作的简要说明 35
结论 36
致谢 37
参考文献 38
附录 39
英文原文 39
Dedicated to the single screw compressor machine 39
中文翻译 45
对压缩机单螺杆专用加工机床 45
参考文献
[1] 许镇宇.机械零件[M].北京:高等教育出版社,2000.
[2] 宾鸿赞,曾庆福.机械制造工艺学[M].北京:机械工业出版社2003.
[3] 朱荆璞,张德惠.机械上程材料学[M].北京:机械工业出版社2004.
[4] 黄开榜,张庆春,那海涛.金属切削机床[M].哈尔滨:哈尔滨工业大学出版社
[5] 吴少农.机械加工工艺手册[M].北京:机械工业出版社,2004.
[6] 刘志峰.金属切削刀具课程设计指导资料[M].北京:机械制造与研究出版社
[7] 李绍明.机械加工工艺基础[M].北京:北京理工大学出版社,2004.
[8] 陈日耀.金属切削原理[M].北京:机械工业出版社,2000.
[9] 李益民.机械制造工艺设计简明手册[M].哈尔滨工业大学:机械工业出版社
[10] 邹青.机械制造工艺学课程设计指导书[M].北京:机械工业出版社,2006.
[11] 王晓华.机床夹具设计手册[M].大连理工大学:机械工业出版社,1996.
[12] 谢家瀛.组合机床设计简明手册[M].北京:机械工业出版社,1998.
[13] 米洁,腾启.金属切削用量专用设计手册[M].上海:现代制造工程出版社出版
[14] 大连组合机床研究所.组合机床设计第一册,机械部分[M].北京:机械工业出版社
[15] 潍坊柴油机有限责任公司.常用机械基础标准手册[M].山东省内燃机专业标准化
[16] 组合机床设计[M]. 第一册,机械部分. 大连组合机床研究所,机械工业出版社,1993.
[17] 常用机械基础标准手册[M]. 潍坊柴油机有限责任公司,山东省内燃机专业标准化技术委员1995.
[18] Mhrubaj, M.G, UJsoy.A.G,Y.Koren.Reconfiguarable Manufacturing Systems:Key to
Fu Manufacturing. Journal of Interlligent Manufacturing ,2005,(11):4.3-409
[19] Dhrubajyoti Kalita, Pramod P.Khargonekar.Formel Verification for Analysis and Design
Reconfigurable Contronllers for Manufacturing Systems.Procecding of the American Control Confere
Chicago.Jone, 2005:3533-3539




















