不对称联板冷冲模设计(冲压模)
摘要:本文为不对称联板的冷冲模设计进行分析,我们可以根据手中已知的部件图纸,展开对该部件的设计,按照该部件的几何外形和它的尺寸我们可以分析得出,使用复合模冲压的话,可以改善该部件的生产的效率,对于我们这次的设计也会变得简单,当我们计算出所有已知的所有数据时,就可以对该模具进行相应的装配方案和部件的设计进行分析
关键词:复合模、冲压,设计
Abstract
This paper for asymmetric joint plate cold die design analysis, we can according to the hand known parts drawings, develop the design of the parts, according to the geometric shape of the parts and its size we can analyze, using composite die stamping, can improve the efficiency of the production of the parts, for our design will become simple, when we calculate all the known all the data, you can carry on the corresponding assembly scheme and component design analysis of the mold.
Key words: composite die; stamping; design
目录
绪论 1
第一章 冲压工艺设计 3
1.1 零件基本介绍 3
1.2 零件工艺分析 4
1.3 确定冲裁工艺方案 5
第二章 工艺计算 7
2.1 毛坯排样选用计算 7
2.2 冲裁力的相关计算 8
按卸料力公式计算卸料力Fx 10
10
按推料力公式计算推料力FT 10
计算总冲压力F 11
2.3 压力中心的计算 11
2.4 凸凹模刃口尺寸计算 12
第三章 冷冲模具主要零件设计 15
3.1 工作零件 15
3.1.1凹模的设计 15
3.1.2 落料凸模 17
3.2 其他零件 18
3.2.1模架的选取 18
3.2.3卸料板的设计 19
3.2.4导柱导套 20
3.2.5定位元件 20
第四章 冲压设备选择 22
4.1设备选取 22
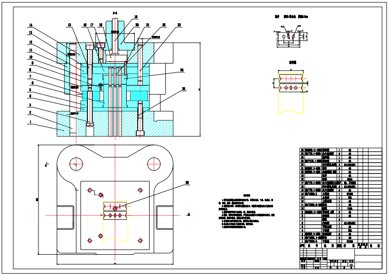
第五章 模具装配图 23
结论和总结 24
参考文献 25
[1] 吴爽,李健,隆文革. 公差配合与技术测量[M] 上海:同济大学出版社,2016.1 1
[2] 成虹.冲压工艺与模具设计[M] 北京:高等教育出版社,2014.8 1
[3] 胡云,陈剑鹤. 模具装拆实训指导[M] 北京:清华大学出版社,2012.1 1
[4] 杨关全,匡余华. 冷冲模设计资料与指导[M] 大连理工大学出版社 1
[5] 华宏芳,孙燕华. 机械制图与零部件测绘[M] 北京:电子工业出版社,2015.5 1
绪论
模具在我们生活的起到了很大的作用,从最原始的时候我们的祖先就在使用模具,因为模具可以让我们很多东西的制作变得简单方便起来,例如,古代人锻造兵器的时候都会把材料先融化在倒在特制的模具中,让它有一个大概的形状,然后在对它进行锤炼最后变成锋利的兵器,所以才能让它在战场中帮助士兵奋勇杀敌;又例如在古代的货币的使用也是通过模具的使用来大批量的生产的,铜钱,银子等。只有这样的制造才能提供很多人的使用;再例如中国四大发明的印刷术和瓷器也是通过模具制造的,模具的制造可以让我们制造的东西更加美观,好看,简单。避免了人工制作带来的误差和材料的浪费。这足以证明模具的使用加快了中国文明经济的发展建设给我们带来了很大的帮助。虽然古代的模具相比较我们现在高精度的模具纯在许多的不足之处,但是他是我们现代模具的先河,也是领路人。如今模具行业已经渐渐发展成熟起来了,大家也对模具的需求也变得越来越大,模具运用的领域也变得越来越广,在如今这个现代化生产中,模具工业对我国经济发展起了重要作用,而模具应用的地方也越来越多,其中在机械板块和电子芯片,航天飞行这些地方更是使用频繁,可以体现占有的地位也十分的重要,在这科技信息话时代,各种各样的产品被不断的开发和更新,要想在其中取得优势,我们只能在降低产品的制造成本让我们具有价格优势,所以使用模具成型技术来制造产品是非常重要的途径之一。同时模具的购买者和生产企业也遍布全世界,也让模具行业的竞争愈演愈烈,这让模具的生产工艺,精度变得越来越高,同时也促进模具类的软件使用越来越多,其中运用最多的就是CAD/CAM的使用,支持模具设计、制造、装配、检验、测试、也包含了模具的三维建、实体造型等。在近些年,模具行业的市场总值一直都在550到650亿美元之间,这可以看出模具行业对市场的需求,然而我国的模具出口率却不到百分之八,伴随着全世界经济快速的发展,模具制造业在渐渐向我国开始转移,许多国家和企业看好我国的模具发展行业,所以在未来我国的模具行业在面向全世界的时候也具有很好的发展前景。这也让我们学机械类的学子在未来提供了一个比较好的舞台,可以展示自己,不过这个行业好的同时也有它残酷的一面,我们需要不断的去学习去接触新的东西,去创新,时代在不停的变化且迅速,我们不能让时代来适应我们,只能我们去接受它,跟随它的脚步,才能在这个行业越走越远,走出属于我们自己的道路。
参考文献
[1] 吴爽,李健,隆文革. 公差配合与技术测量[M] 上海:同济大学出版社,2016.1
[2] 成虹.冲压工艺与模具设计[M] 北京:高等教育出版社,2014.8
[3] 胡云,陈剑鹤. 模具装拆实训指导[M] 北京:清华大学出版社,2012.1
[4] 杨关全,匡余华. 冷冲模设计资料与指导[M] 大连理工大学出版社
[5] 华宏芳,孙燕华. 机械制图与零部件测绘[M] 北京:电子工业出版社,2015.5
[7] 郭书彬.最新冲压新工艺新技术与冲模设计图集及典型疑难实例应用手册. 北京:机械工业出版社 2003.9
[8] 王芳.冷冲压模具设计指导. 北京:机械工业出版社 1998.10
[9] 李奇,江莹.模具构造与制造. 北京:青华大学出版社.2004.8
[10] 王秀凤.冷冲压模具设计与制造.北京:航空航天大学出版社 2005.4
[11] 成虹.冲压工艺与模具设计.北京:高等教育出版社 2006.7
[12] 杨玉英,崔令江.实用冲压工艺及模具设计手册.机械工业出版社2005.1
[13] 彭建生.模具设计与加工速查手册. 北京:机械工业出版社2005.7
[14] 徐政坤.冲压模具及设备. 北京:机械工业出版社2005.1
 
						
 
				  
					        
							



















 
					        
					 
					 
					