RH-21轴套与型腔配合体数控加工工艺及编程设计
摘 要
数控技术是数字控制(Numerical Control)技术的简称。它采用数字化信号对被控制设备进行控制,使其产生各种规定的运动和动作。利用数控技术可以把生产过程用某中语言编写的程序来描述,将程序以数字形式送入计算机或专用的数字计算装置进行处理输出,并控制生产过程中相应的执行程序,从而使生产过程能在无人干预的情况下自动进行,实现生产过程的自动化。采用数控技术的控制系统称为数控系统(Numerical Control System)。根据被控对象的不同,存在多种数控系统,其中产生最早应用最广泛的是机械加工行业中的各种机床数控系统。所谓机床数控系统就是以加工机床为控制对象的数字控制系统。
 
 关键字:数控技术  CAD/CAM  轴类零件 加工 运动
目 录
摘 要 I
Abstract II
第1章 绪 论 1
1.1 课题的研究意义 1
1.2 数控加工 2
1.3 课题的研究内容 4
第2章 轴套零件的零件图样分析和加工工艺编制  6
2.1 工艺设计说明 6
2.2 工艺基准及切削用量选择 7
2.2.1 工艺基准的选择 7
2.2.2 切削用量的选择 8
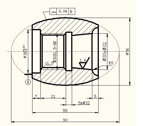
2.3 第一阶段:分析套的图形结构 8
2.4 第二阶段:分析轴的图形结构 11
第3章 三维建模 17
3.1 第三阶段绘制零件图 17
3.2 第四阶段对零件进行分析和绘制 18
第4章 零件仿真加工 20
4.1新建加工文件并装入零件模型 20
4.2进入加工环境,创建几何体、刀具 21
4.3创建操作 23
4.3.1生成刀具路径 23
4.3.2加工仿真 24
4.4 后置处理(生成NC程序) 25
参考文献 27
致谢 28
参考文献
1.《数控机床加工程序编制》  顾京  主编  机械工业出版社
2.《UG三维造型与数控加工编程》  过小容 李坤  编著  辽宁科学技术出版社
3.《AutoCAD2005机械制图》  孙燕华  主编  机械工业出版社
4.《机械技术基础》  倪森寿  主编  无锡职业技术学院
4.《机械制图》  金大鹰  主编  机械工业出版社
5.《典型数控系统及应用》  邹晔  主编  高等教育出版社
6.《机电与数控专业英语》  上海市职业技术教育课程改革与教材建设委员会  组编  机械工业出版社
7. 《工程材料与热成型工艺》  姜敏凤  主编  高等教育出版社

 
						
 
				  
					        
							



















 
					        
					 
					 
					