柴油机摇臂结合部的气门摇臂轴支座夹具设计
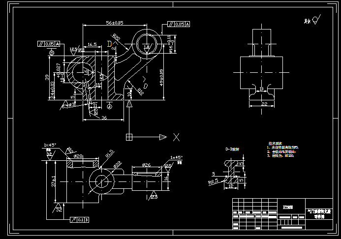
本设计所设计的零件是柴油机中摇臂结合部的气门摇臂轴支座,它是柴油机上气门控制系统的一个重要零件。直径为18mm的孔用来装配摇臂轴,轴的两端各安装一进、排气气门摇臂。直径为16mm的孔内装一个减压轴,用于降低汽缸内压力,便于启动柴油机。两孔间距56mm,可以保证减压轴在摇臂上打开气门,实现减压。两孔要求的表面粗糙度和位置精度较高,工作时会和轴相配合工作,起到支撑的作用,直径11的孔用M10的螺杆与汽缸盖相连,直径3的孔用来排油,各部分尺寸零件图中详细标注。
目  录           
1.毕业设计任务书
2.毕业设计说明书
  一、零件的工艺分析及生产类型确定......................1
  (一)零件的作用......................................................1
  (二)零件的工艺分析..............................................2
  二、选择毛坯种类,绘制毛胚图..............................3
  (一)选择毛坯种类..................................................3
  (二)确定毛坯尺寸及机械加工总余量..........3   
(三)绘制毛坯图..........................................................4
  三、 选择加工方法,制定工艺路线........................5
  (一)定位基准的选择...............................................5
  (二)零件表面加工方法的选择..............................5
  (三)加工阶段的划分..............................................6
  (四)工序顺序的安排..............................................6
  (五)确定工艺路线..................................................7
  (六)加工设备及工艺装备选择..............................9
  (七)工序间加工余量的确定..................................10
  (八)切削用量以及基本时间定额的确定.............11
  四、 专用夹具设计...................................................29
   (一)确定夹具的结构方案....................................29
     (1).确定定位方案,选择定位元件.............29
     (2).确定夹紧结构.........................................30
 (二)设计夹具体....................................................31
 (三)在夹具装配图上标注尺寸、配合及技术要求---31
3.毕业设计小结...........................................................32
4.参考文献...................................................................33
5.用人单位毕业设计鉴定表
6.外文翻译
参考文献
1.王先逵 主编.机械制造工艺学[M].北京:机械工业出版社,2006
2.崇 凯 主编. 机械制造技术基础课程设计指南[M].北京:化学工业出版社,2006
3.邹 青 主编.机械制造技术基础课程设计指导教程[M].北京:机械工业出版社,2004
4.孙丽媛 主编.机械制造工艺及专用夹具设计指导[M].北京:冶金工业出版社,2007
5.郭克希 主编.机械制图.机械类、近机类[M].北京:机械工业出版社,2004
6.徐学林 主编.互换性与测量技术基础[M].长沙:湖南大学出版社,2007
7.吴宗泽 罗圣国 主编.机械设计课程设计手册[M].北京:高等教育出版社,2006
8.余光国  马俊  主编.机床夹具设计[M].重庆:重庆大学出版社,1995
 
9.程绪琦 主编.AutoCAD2008中文标准教程[M].北京:电子工业出版社,2008.4
10.杨叔子 主编.机械加工工艺师手册[M].北京:机械工业出版社,2001.8
11.邓文英 主编.金属工艺学 上册[M].北京:高等教育出版社,2001
12.邓文英 主编.金属工艺学 下册[M].北京:高等教育出版社,2001
13.李益民 主编.机械制造工艺设计简明手册[M].北京:机械工业出版社,1994.7
代写艺术专业毕业论文请登录:http://www.bysj1.com/html/4122.html

 
						
 
				  
					        
							



















 
					        
					 
					 
					