变速器拨叉零件机械加工工艺与车夹具设计
摘要:毕业设计是我们在学完了大学的全部基础课、专业基础课以及专业课后进行的一次深入的,理论联系实际的最终检测。
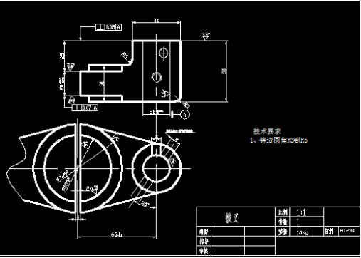
我这次的毕业设计是设计变速器拨叉,有零件图、毛坯图、夹具装配图、夹具零件图各一张,机械加工工艺过程卡片和与所设计夹具对应那道工序的工序卡片各一张。首先我们要熟悉零件,题目所给的零件是变速器拨叉。了解了变速器拨叉的作用,接下来根据零件的性质和零件图上各端面的粗糙度确定毛坯的尺寸和机械加工余量。然后我们再根据定位基准先确定精基准,后确定粗基准,最后拟定拨叉的工艺路线图,制定该工件的加紧方案,画出夹具装配图。
就我个人而言,我希望通过这次毕业设计对自己未来将从事的工作进一步适应性的训练,希望自己在设计中能锻炼自己的分析问题、解决问题、查资料的能力,为以后的工作打下良好的基础。
由于能力有限,设计尚有许多不足之处,希望各位老师给予指导。
Abstract: Graduation design is the foundation of our finished studying at the university of all, professional basic course of an in-depth and professional class, final testing of theory with practice
  My graduation design is the transmission of the fork, part drawing, blank drawing, machining process card and fixture design corresponds to the procedure of process card to each one. First of all, we must be familiar with spare parts , the part are given topic transmission fork. Understand the effect of transmission fork, then according to the nature of the components and parts on the drawing of each face roughness to determine the size of the blank and machining allowance. Then we could according to the positioning base to determine the benchmark, after crude benchmark, finally proposed the fork technology roadmap, develop the artifacts to scheme, draw the fixture assembly drawing.
  As far as I'm concerned, I hope that through this graduation design will work for yourself in the future to further fitness training, hope oneself can exercise their own in the design to analyze and solve problems, the ability to find information, to lay a good foundation for the later work.
  Due to limited capacity, the design has many shortcomings, hope everybody the teacher give guidance.
目录
第一章 绪论.............................................1
第二章 零件的分析.....................................3
     2.1零件的作用..........................................3
     2.2零件的工艺分析......................................3
第三章 工艺规程设计..................................4
     3.1确定毛坯的制造形式 .................................4   
3.2基面的选择..........................................4
3.3制定工艺路线........................................4
      3.4机械加工尺寸、工序尺寸及毛皮尺寸的确定.....................5
      3.5确立切削用量及基本工时.....................................6
第四章 夹具设计.......................................18
4.1问题的提出.........................................18
4.2夹具的设计.........................................18
第五章 回顾总结.......................................20
第六章 致谢.............................................22
第七章 参考文献.......................................23
参考文献
1.《机械制造工艺学课程设计指导书》     机械工业出版社    赵家齐  编
2.《简明机械加工工艺手册》            上海科学技术出版社    徐圣群  主编
3.《机床夹具设计手册》第二版          上海科学技术出版社
4.《切削手册》                        机械工业出版社   艾兴  肖诗纲  编
5.《机械设计课程设计指导手册手册》    哈尔滨理工大学
6. 《机床夹具图册》                  机械工业出版社
http://www.bysj1.com/  http://www.bysj1.com/html/5365.html   http://www.bysj1.com/html/4688.html
 
 
						
 
				  
					        
							



















 
					        
					 
					 
					