垫片复合模设计
摘要
模具是现代工业化生产中必不可少的工艺装备之一。
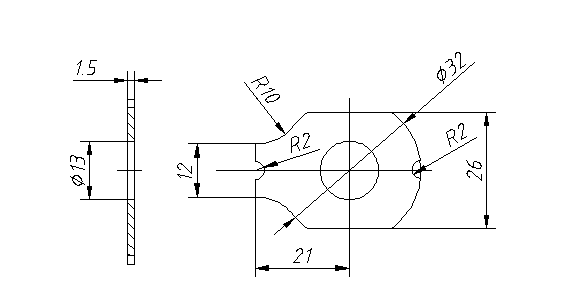
本模具的主要作用就是落料和冲孔,该模具在设计时不仅要根据冲裁件的材料选择模具的材料,还要根据冲裁件的形状,尺寸个精度来确定模具的类型和冲裁的工艺方案。确定合理的冲裁间隙是本次模具设计的重点,因为这不仅影响冲裁件的形状尺寸精度,还影响着模具的使用寿命。在模具的材料选择时应注意材料的性能和强度。应精良选择标准件以提高模具的寿命并且还可以缩短模具的制造周期。
关键词 :冲压模具 冲裁间隙 材料选择
Abstract
The mould is one of the essential equipment in modern industrial production,The main function of the mold is blanking and punching, the mould is in the designNot only according to the selecting of die blanking material according to the blanking shape, size precision to determine the type of mold and punching process. To determine the reasonable blanking gap is the focus of the mold design, because it not only affects the shape and size of precision blanking, but also affects the service life of the die. Material selection should pay attention to the performance and strength of the material. The choice of standard parts should be excellent to improve the life of the mold and shorten the manufacturing cycle of the mold.
Keyword:Stamping die,Blanking clearance,Material selection
目录
绪论................................................................9
1 冲压件的工艺分析.................................................11
1.1工件材料........................................................11
1.2工件结构形状....................................................11
1.3工件尺寸精度....................................................11
2 工件冲压工艺方案分析.............................................12
2.1模具类型的确定.................................................12
2.2送料操作方式...................................................12
2.3卸料方式的选用.................................................12
2.4出件方式.......................................................12
3 冲压工艺及模具设计计算...........................................13
3.1 排样设计.......................................................13
3.1.1确定搭边值....................................................13
3.1.2确定步距......................................................13
3.1.3计算条料宽度..................................................13
3.1.2计算材料利用率................................................13
4冲压力的计算......................................................14
4.1落料力..........................................................14
4.2冲孔力..........................................................14
4.3卸料力..........................................................14
4.4推件力..........................................................14
4.5总冲压力........................................................14
5确定压力中心......................................................16
6模具刃口尺寸的计算................................................17
7主要工作零件设计..................................................18
7.1凹模尺寸........................................................19
7.1凸凹模尺寸......................................................18
7.3冲孔凸模尺寸....................................................18
7.4卸料板设计......................................................19
7.5上下垫板的设计.................................................19
7.6 凸模固定板的设计...............................................19
8.模架的选用......................................................20
9.模具闭合高度的计算...............................................21
10冲压设备的选取...................................................22
11模具总装图...................................................... 23
12毕业设计总结.....................................................24
13致谢.............................................................25
14参考文献.........................................................26
参考文献
[1]《冲压工艺与模具设计》 成虹 主编 高等教育出版社 第三版
[2]《冷冲模设计资料与指导》杨关全 匡余华主编 大连理工大学出版社 第四版
[3]《机械制造基础》 孙学强 主编 高等教育出版社 第一版
[4]《公差配合与技术测量》 徐茂功 桂定一 主编 机械工业出版社 第二版
[5]《模具设计指导》 史铁梁 主编 机械工业出版社 第二版
[6]《工程材料与热处理》 张红英 朱怀忠 主编 科学出版社 第一版
[7]《模具制造工艺学》 柳舟通 余立刚 主编 科学出版社 第一版




















