气缸前盖零件的工艺规程及钻M12x1.5孔夹具设计
摘 要
本次设计内容涉及了机械制造工艺及机床夹具设计、金属切削机床、公差配合与测量等多方面的知识。
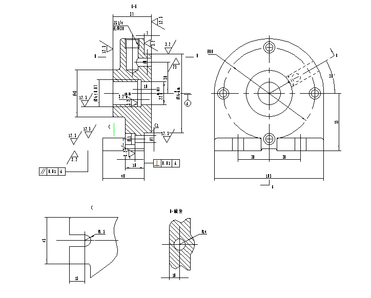
气缸前盖加工工艺规程及其钻孔的夹具设计是包括零件加工的工艺设计、工序设计以及专用夹具的设计三部分。在工艺设计中要首先对零件进行分析,了解零件的工艺再设计出毛坯的结构,并选择好零件的加工基准,设计出零件的工艺路线;接着对零件各个工步的工序进行尺寸计算,关键是决定出各个工序的工艺装备及切削用量;然后进行专用夹具的设计,选择设计出夹具的各个组成部件,如定位元件、夹紧元件、引导元件、夹具体与机床的连接部件以及其它部件;计算出夹具定位时产生的定位误差,分析夹具结构的合理性与不足之处,并在以后设计中注意改进。
关键词:工艺、工序、切削用量、夹紧、定位、误差。
ABSTRCT
This design content has involved the machine manufacture craft and the engine bed jig design, the metal-cutting machine tool, the common difference coordination and the survey and so on the various knowledge.
The reduction gear box body components technological process and its the processing hole jig design is includes the components processing the technological design, the working procedure design as well as the unit clamp design three parts. Must first carry on the analysis in the technological design to the components, understood the components the craft redesigns the semi finished materials the structure, and chooses the good components the processing datum, designs the components the craft route; After that is carrying on the size computation to a components each labor step of working procedure, the key is decides each working procedure the craft equipment and the cutting specifications; Then carries on the unit clamp the design, the choice designs the jig each composition part, like locates the part, clamps the part, guides the part, to clamp concrete and the engine bed connection part as well as other parts; Position error which calculates the jig locates when produces, analyzes the jig structure the rationality and the deficiency, and will design in later pays attention to the improvement.
Keywords: The craft, the working procedure, the cutting specifications, clamp, the localization, the error
目 录
序 言 1
一 零件的分析 2
1.1零件的作用 2
1.2零件的工艺分析 2
二 工艺规程设计 3
2.1确定毛坯的制造形式 3
2.2毛坯的设计 3
2.3基面的选择 4
2.4 制定工艺路线 5
2.5机械加工余量、工序尺寸及毛坯尺寸的确定 8
2.6确定切削用量及基本工时 8
三 夹具设计 17
3.1专用夹具设计方法和步骤 17
3.2问题的提出 17
3.3定位基准的选择 18
3.4定位误差分析 20
3.5切削力的计算与夹紧力分析 21
3.6对机床专用夹具的5条基本要求 22
3.7专用夹具设计方法和步骤 22
3.8夹具总图技术要求的制订 23
3.9夹具设计及操作的简要说明 24
总 结 27
致 谢 29
参 考 文 献 30
序 言
机械制造业是制造具有一定形状位置和尺寸的零件和产品,并把它们装备成机械装备的行业。机械制造业的产品既可以直接供人们使用,也可以为其它行业的生产提供装备,社会上有着各种各样的机械或机械制造业的产品。我们的生活离不开制造业,因此制造业是国民经济发展的重要行业,是一个国家或地区发展的重要基础及有力支柱。从某中意义上讲,机械制造水平的高低是衡量一个国家国民经济综合实力和科学技术水平的重要指标。
气缸前盖的加工工艺规程及其夹具设计是在学完了机械制图、机械制造技术基础、机械设计、机械工程材料等进行课程设计之后的下一个教学环节。正确地解决一个零件在加工中的定位,夹紧以及工艺路线安排,工艺尺寸确定等问题,并设计出专用夹具,保证零件的加工质量。本次设计也要培养自己的自学与创新能力。因此本次设计综合性和实践性强、涉及知识面广。所以在设计中既要注意基本概念、基本理论,又要注意生产实践的需要,只有将各种理论与生产实践相结合,才能很好的完成本次设计。
本次设计水平有限,其中难免有缺点错误,敬请老师们批评指正。
参 考 文 献
1. 切削用量简明手册,艾兴、肖诗纲主编,机械工业出版社出版,1994年
2.机械制造工艺设计简明手册,李益民主编,机械工业出版社出版,1994年
3.机床夹具设计,哈尔滨工业大学、上海工业大学主编,上海科学技术出版社出版,1983年
4.机床夹具设计手册,东北重型机械学院、洛阳工学院、一汽制造厂职工大学编,上海科学技术出版社出版,1990年
5.金属机械加工工艺人员手册,上海科学技术出版社,1981年10月
6.机械制造工艺学,郭宗连、秦宝荣主编,中国建材工业出版社出版,1997年
http://www.bysj1.com/cat.asp?id=27
http://www.bysj1.com/cat.asp?id=28
http://www.bysj1.com/cat.asp?id=22




















