HT200拨叉的铸造工艺设计
摘要:铸造业是机械制造产业链中的基础环节,拨叉类零件通常是安装在机器设备的基础件上、装配和支持着其他零件的构件,是正常生产不可缺少的关键和重要部件,一个合理完整的铸造工艺可以加快产品的生产效率,保证产品的质量。在本次设计,先要分析零件的结构及零件材料的选用,在确定零件制造的方法,之后再设计出铸造工艺方案及工艺装备,最后绘制相关工艺图纸。 
关键词:铸造;拨叉;铸造工艺
HT200 fork casting process design
Abstract: the foundry industry is machinery manufacturing industry chain based link fork parts are usually installed in the machine base parts, Assembly and supporting other parts of component is indispensable to the normal production of vital and important components, a reasonably complete set of casting process can accelerate productivity, ensure product quality.Through this design generally know a part forming process and learn how to use a variety of design information. In this design, the first to analyze the structure and selection of parts and components of materials, parts manufacturing in the method of determining, after the re-design of the casting process and process equipment, process and finally draw the relevant drawings.
Keywords: casting fork; casting process
目录
第一章、概述…………………………………………………………………………………………….2
第二章、拨叉零件分析………………………………………………………………………………….3
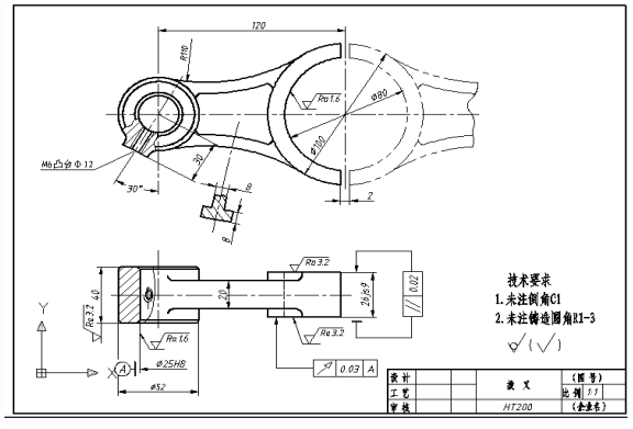
 2.1、零件图及外型示意图……………………………………………………………………………..3
 2.2、零件的技术要求…………………………………………………………………………………..4
 2.3、零件材料的选用…………………………………………………………………………………..4
 2.4、HT200合金的熔炼和化学成分………………………………………………………….............4
 2.5、提高灰铸铁性能的主要途径……………………………………………………………………..6
 2.6、确定该零件的制造方法…………………………………………………………………………..6
第三章、铸造工艺方案的确定………………………………………………………………………….7
 3.1、铸造工艺方法……………………………………………………………………………………..7
 3.2、造型方法的选择…………………………………………………………………………………..7
 3.3、浇注位置的确定…………………………………………………………………………………..7
 3.4、分型面的选择……………………………………………………………………………………..8
 3.5、凝固方式的确定………………………………………………………………………………......8
第四章、型芯设计………………………………………………………………………………………10
 4.1、型芯种类的选择………………………………………………………………………………….10
 4.2、砂芯顺序设计…………………………………………………………………………………….10
 4.3、型芯的形状、数量……………………………………………………………………………….11
 4.4、芯头设计………………………………………………………………………………………….11
 4.5、砂芯排气方案的确定…………………………………………………………………………….11
第五章、铸件工艺参数…………………………………………………………………………………11
 5.1、最小铸出孔……………………………………………………………………………………….11
 5.2、铸件尺寸公差…………………………………………………………………………………….12
 5.3、机械加工余量…………………………………………………………………………………….13
 5.4、起模斜度………………………………………………………………………………………….14
 5.5、铸造收缩率……………………………………………………………………………………….14
 5.6、浇注温度………………………………………………………………………………………….15
第六章、浇注系统设计…………………………………………………………………………………15
第七章、冒口及其冷铁设计……………………………………………………………………………17
 7.1、冒口……………………………………………………………………………………………….17
  7.1.1、冒口的作用……………………………………………………………………………………17
  7.1.2、本铸件是否有冒口分析………………………………………………………………………17
 7.2、冷铁……………………………………………………………………………………………….17
  7.2.1、冷铁的作用……………………………………………………………………………………17
  7.2.2、冷铁的设计……………………………………………………………………………………18
  7.2.3、冷铁位置的确定………………………………………………………………………………18
  7.2.4、外冷铁尺寸的确定……………………………………………………………………………18
第八章、铸造工艺装备设计……………………………………………………………………………19
 8.1、模样……………………………………………………………………………………………….19
  8.1.1、模样设计及模样种类…………………………………………………………………………19
  8.1.2、模样材质的选择………………………………………………………………………………20
 8.2、模板……………………………………………………………………………………………….21
  8.2.1、模板的选择……………………………………………………………………………………21
  8.2.2、模底板壁厚的确定与定位…………………………………………………………………....21
 8.3、砂箱……………………………………………………………………………………………….22
  8.3.1、砂箱的选择和设计原则………………………………………………………………………22
  8.3.2、砂箱的结构设计………………………………………………………………………………22
 8.4、芯盒……………………………………………………………………………………………….22
  8.4.1、芯盒的材料种类………………………………………………………………………………22
  8.4.2、芯盒设计的一般原则…………………………………………………………………………22
第九章、铸型装配………………………………………………………………………………………23
 9.1、下芯原则………………………………………………………………………………………….23
  9.1.1、熟悉工艺图……………………………………………………………………………………23
  9.1.2、下芯后检查……………………………………………………………………………………23
 9.2、合型及定位……………………………………………………………………………………….23
 9.3、砂型、砂芯的烘干……………………………………………………………………………….24
9.4、铸型模板装配图………………………………………………………………………………….24
第十章、结论…………………………………………………………………………………………....25
参考文献………………………………………………………………………………………………….26
参考文献
【1】李宏英,赵成志.铸造工艺设计.机械工业出版社2005.
【2】徐萃萍,孙芳红,齐秀飞.材料成型技术基础.清华大学出版社2013.
【3】陆文华,李隆盛,黄良余.铸造合金及其熔炼.机械工业出版社2007.
【4】李平,李峰军.灰铸铁材质控制技术与应用.煤炭工业出版社2009.
【5】中国机械工程学会,铸造专业学会.铸造手册(第5卷):铸造工艺.机械工业出版社.
【6】中国机械工程学会,铸造专业学会.铸造手册(第1卷):铸铁.机械工业出版社.
【7】施廷藻.铸造实用手册.东北工学院出版社.
http://www.bysj1.com/cat.asp?id=22&page=22
http://www.bysj1.com/cat.asp?id=25&page=22 
 
						
 
				  
					        
							



















 
					        
					 
					 
					